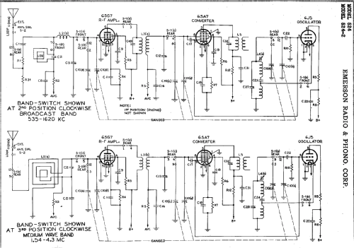
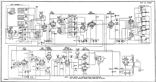
524-2 Ch= 120022
Emerson Radio & Phonograph Corp.; New York, NY
- Country
- United States of America (USA)
- Manufacturer / Brand
- Emerson Radio & Phonograph Corp.; New York, NY
- Year
- 1948 ??
- Category
- Broadcast Receiver - or past WW2 Tuner
- Radiomuseum.org ID
- 38548
-
- alternative name: Emerson Television
Click on the schematic thumbnail to request the schematic as a free document.
- Number of Tubes
- 10
- Main principle
- Superhet with RF-stage; ZF/IF 455 kHz; 2 AF stage(s)
- Tuned circuits
- 7 AM circuit(s)
- Wave bands
- Broadcast plus more than 2 Short Wave bands.
- Power type and voltage
- Alternating Current supply (AC) / 105-125; 210-250 Volt
- Loudspeaker
- Permanent Magnet Dynamic (PDyn) Loudspeaker (moving coil)
- Material
- Wooden case
- from Radiomuseum.org
- Model: 524-2 Ch= 120022 - Emerson Radio & Phonograph
- Shape
- Tablemodel, with any shape - general.
- Notes
- BC (535-1620kHz), TROP (1540-4300kHz), SW1 (4.15-10.4MHz) and SW2 (10.1-22.7MHz) bands. Tuning eye. Push-pull audio amplifier.
- External source of data
- Ernst Erb
- Circuit diagram reference
- Rider's Perpetual, Volume 16 = ca. 1948 and before
- Literature/Schematics (1)
- Emerson Radio and Television Service Manual (Page 50)
- Other Models
-
Here you find 2101 models, 1158 with images and 1659 with schematics for wireless sets etc. In French: TSF for Télégraphie sans fil.
All listed radios etc. from Emerson Radio & Phonograph Corp.; New York, NY