Shak-Two
ERE; Stradella (PV)
- Land
- Italien / Italy
- Hersteller / Marke
- ERE; Stradella (PV)
- Jahr
- 1975
- Kategorie
- Amateur TRX: Sender & Empfänger (und Sendeempfänger)
- Radiomuseum.org ID
- 188874
Klicken Sie auf den Schaltplanausschnitt, um diesen kostenlos als Dokument anzufordern.
- Anzahl Transistoren
- 34
- Hauptprinzip
- Sende-Empfänger; ZF/IF 10700 kHz; 2 NF-Stufe(n)
- Wellenbereiche
- VHF/UHF (siehe Bemerkungen)
- Betriebsart / Volt
- Batterien / Niedervolt Stromversorgung (power jack) / 13,5 Volt
- Lautsprecher
- Dynamischer (permanent) Ovallautsprecher
- Belastbarkeit / Leistung
- 1 W (Qualität unbekannt)
- Material
- Metallausführung
- von Radiomuseum.org
- Modell: Shak-Two - ERE; Stradella PV
- Form
- Schweres Gerät für Militär oder Industrie (Boatanchor > 20 kg).
- Abmessungen (BHT)
- 235 x 93 x 280 mm / 9.3 x 3.7 x 11 inch
- Bemerkung
-
Ricetrasmettitore operante nella gamma 144-146 MHz a VFO. Modi di funzionamento: SSB / AM / CW / FM.
Potenza di alimentazione dello stadio finale 20 W DC in FM / SSB / CW, 20 Watt in AM.
Strumento indicatore della potenza relativa di uscita.
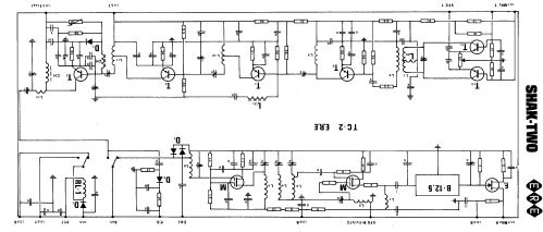
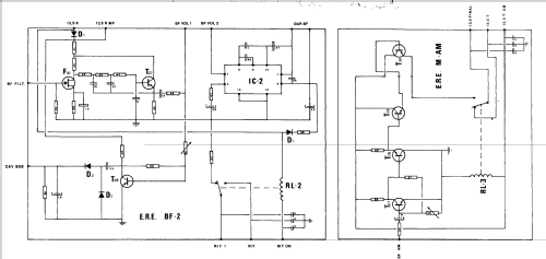
34 Transistor, 2 IC, 4 Diodi, 5 Diodi Zener, elencati uno per tipo e non tutti.II RICEVITORE è del tipo supereterodina a semplice conversione di frequenza.Tramite il relè di commutazione, il segnale ricevuto viene applicato al Mos-Fet autoprotetto MEM 564C amplificatore R.F.L'ingresso del medesimo è ulteriormente protetto con due diodi in antiparallelo per contrastare fenomeni di over-load di qualsiasi genere.AlI'ingresso dello stadio R.F.è applicato il segnale del calibratore (CAL-2 Optional). Quattro circuiti accordati delimitano Ia selettività R.F.garantendo una buona reiezione della frequenza di immagine. II segnale amplificato è ora convertito alla frequenza di 10,7MHz.(MEM564C).II front-end a MosFet,una selezione dei medesimi in fase di taratura, unitamente all'uso della semplice conversione e di un filtro a quarzo a 8 poli KVG, garantiscono un'ottima rispondenza del ricevitore per quanto riguarda Ia cifra di rumore, l'intermodulazione e, in ogni caso, Ia possibilita di manipolare forti segnali d'ingresso.Quattro stadi amplificatori di Media Frequenza a10,7 MHz (SX3819-3XBF225) conferiscono Ia necessaria sensibilità al ricevitore.
PARTE TRASMITTENTE : II segnale microfonico amplificato (SX3819 - BFW32) è iniettato unitamente al segnale dig enerazione (10,6985MHz) nel modulatore sbilanciato (2XAA119). All'uscita del medesimo è presente il segnale DSB che viene amplificato (BFW32) e quindi inviato al filtro a quarzo che elimina [>50dB) Ia banda laterale inferiore. All'uscita del filtro il segnale USB nuovamente amplificato (BF225) pilota in controfase ilmixer bilanciato di trasmissione(2X2N918). Dopo il mixer a tre stadi funzionanti in classe lineare [2N918-2N4427 PT8740) amplificano il segnale a144-:-146MHz permettendo di pilotare adeguatamente iI transistor finale [B12/12).L'uso di uncircuito passa-banda unitamente alia struttura bilanciata del mixer ed alla presenza di un circuito di assorbimento sulla frequenza del VFO (133,3-:-135,3MHz) consentono una elevata purezza spettrale.
- Nettogewicht
- 3.3 kg / 7 lb 4.3 oz (7.269 lb)
- Datenherkunft
- -- Original prospect or advert
- Literaturnachweis
- -- Original prospect or advert (“Radio Rivista” organo ufficiale dell’ARI Italia, numero 8, agosto 1975.)
- Weitere Modelle
-
Hier finden Sie 21 Modelle, davon 20 mit Bildern und 6 mit Schaltbildern.
Alle gelisteten Radios usw. von ERE; Stradella (PV)