• Jahr
  • 1936/1937
  • Kategorie
  • Rundfunkempfänger (Radio - oder Tuner nach WW2)
  • Radiomuseum.org ID
  • 8396

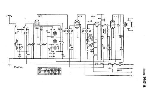
Klicken Sie auf den Schaltplanausschnitt, um diesen kostenlos als Dokument anzufordern.

 Technische Daten

  • Anzahl Röhren
  • 4
  • Hauptprinzip
  • Superhet allgemein; ZF/IF 412 kHz
  • Anzahl Kreise
  • 6 Kreis(e) AM
  • Wellenbereiche
  • Langwelle, Mittelwelle und Kurzwelle.
  • Betriebsart / Volt
  • Akku und/oder Batterie / 2 & 90-150 Volt
  • Lautsprecher
  • Dynamischer LS, keine Erregerspule (permanentdynamisch)
  • Material
  • Gerät mit Holzgehäuse
  • von Radiomuseum.org
  • Modell: 3043-A - Eumig, Elektrizitäts und
  • Form
  • Tischgerät, Hochformat (höher als quadratisch, schlicht, keine Kathedrale).
  • Bemerkung
  • ohne Gitterbatterie
  • Originalpreis
  • 298.00 öS
  • Datenherkunft extern
  • E. Erb 3-907007-36-0
  • Datenherkunft
  • Radiokatalog Band 2, Ernst Erb
  • Schaltungsnachweis
  • Lange + Schenk
  • Literatur/Schema (1)
  • -- Original-techn. papers.

 Sammlungen | Museen | Literatur

 Forum