110 Chassis Only
Fairbanks, Morse & Co.; Chicago (IL)
- Country
- United States of America (USA)
- Manufacturer / Brand
- Fairbanks, Morse & Co.; Chicago (IL)
- Year
- 1935/1936

- Category
- Broadcast Receiver - or past WW2 Tuner
- Radiomuseum.org ID
- 39859
-
- alternative name: FMC
- Brand: Welco
Click on the schematic thumbnail to request the schematic as a free document.
- Number of Tubes
- 11
- Main principle
- Superhet with RF-stage; ZF/IF 456 kHz; 3 AF stage(s)
- Tuned circuits
- 9 AM circuit(s)
- Wave bands
- Broadcast, Long Wave and 2 x Short Wave.
- Power type and voltage
- Alternating Current supply (AC) / 110 Volt
- Loudspeaker
- Electro Magnetic Dynamic LS (moving-coil with field excitation coil)
- Material
- Metal case
- from Radiomuseum.org
- Model: 110 [Chassis Only] - Fairbanks, Morse & Co.;
- Shape
- Chassis only or for «building in»
- Notes
-
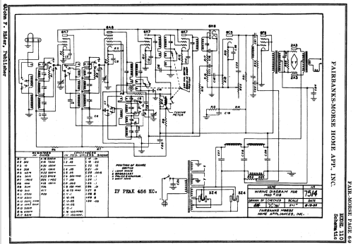
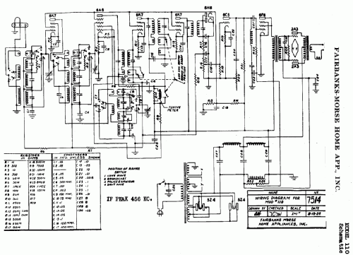
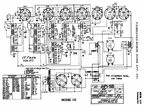
The Fairbanks Morse 110 is an AC operated, 11 tube BC, LW, Police and SW band chassis used in various receivers. Has "Fidelity" switch which reduces the bandwidth of the IF circuit when in the "Sharp" position and increases the bandwidth when in the "3rd Dimension" position. The tuning indicator is active only when the switch is in the "Sharp" position.
Band Frequency Ranges are as follows:
LW Band......................140 - 360kHz
BC Band......................540 - 1740kHz
Police Band.................1.66 - 5.5MHz
SW Band....................5.5 - 18.4MHzNOTE: 110 is the chassis number and NOT the model number. Please post pictures of the radio's on the appropriate radio model page and NOT to this page.
The following models use the same chassis and schematic:
Model Number Chassis Tubes Tuning Indicator Cabinet 11049 110 11 Magnetic shadow Line Console Model 11050 110 11 Magnetic shadow Line Console Model 11050 110 12 6E5 Tuning Eye Console Model NOTES:
1. Some 11050 models had a shadow line tuning indicator and other models had a 6E5 tuning indicator.
2. Radio Retailing September 1935, page 33 has incorrect tube lineup listed.
3. Alignment information, details on tuning indicators, details on the Fidelity switch and 10kHz audio trap trim adjustment are found in Riders 7-21, 7-22.
- External source of data
- Ernst Erb
- Mentioned in
- Radio Retailing (Radio & Television R.) (September 1935, page 33, November 1935, page 40)
- Literature/Schematics (1)
- Gernsback Official Radio Service Manual (Volume 6, pages 389)
- Literature/Schematics (2)
- Rider's Perpetual, Volume 6 = 1935 and before (Page 6-9)
- Literature/Schematics (3)
- Rider's Perpetual, Volume 7 = 1936 and before (Pages 7-21 to 7-24)
- Literature/Schematics (4)
- Radio Today (and Television) (March 1937, Page 49 (Lists IF frequency))
- Other Models
-
Here you find 147 models, 87 with images and 117 with schematics for wireless sets etc. In French: TSF for Télégraphie sans fil.
All listed radios etc. from Fairbanks, Morse & Co.; Chicago (IL)