- Land
- Italien / Italy
- Hersteller / Marke
- Farel, Radio; Genova - Quinto
- Jahr
- 1947 ??
- Kategorie
- Rundfunkempfänger (Radio - oder Tuner nach WW2)
- Radiomuseum.org ID
- 98675
Klicken Sie auf den Schaltplanausschnitt, um diesen kostenlos als Dokument anzufordern.
- Anzahl Röhren
- 5
- Hauptprinzip
- Superhet allgemein
- Wellenbereiche
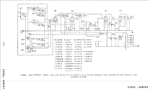
- Mittelwelle und 2 x Kurzwellen.
- Betriebsart / Volt
- Wechselstromspeisung / 110; 125; 140; 160; 220; 280 Volt
- Lautsprecher
- -Lautsprecher eingebaut, aber System nicht erfasst.
- Belastbarkeit / Leistung
- 4 W (Qualität unbekannt)
- von Radiomuseum.org
- Modell: Sintex - Farel, Radio; Genova - Quinto
- Bemerkung
-
Sintonia a permeabilità variabile.
Ingresso per giradischi.
Autotrasformatore: Telaio collegato alla rete elettrica. Non tutti i casi sono dichiarati poichè spesso chi propone il modello non lo può sapere.
- Literatur/Schema (1)
- Schemi di apparecchi radio ( Ravalico 1953 ) (pag. 69)
- Autor
- Modellseite von Alessandro De Poi angelegt. Siehe bei "Änderungsvorschlag" für weitere Mitarbeit.
- Weitere Modelle
-
Hier finden Sie 5 Modelle, davon 3 mit Bildern und 2 mit Schaltbildern.
Alle gelisteten Radios usw. von Farel, Radio; Genova - Quinto