- Pays
- Etats-Unis
- Fabricant / Marque
- Federal Radio Corp. / Federal Telephone & Telegraph Co.; Buffalo, NY
- Année
- 1925
- Catégorie
- Radio - ou tuner d'après la guerre 1939-45
- Radiomuseum.org ID
- 40371
-
- alternative name: Federal Recorder || Federal Tel. & Radio || Federal T&T
- Brand: Orthosonic / Ortho-Sonic
Cliquez sur la vignette du schéma pour le demander en tant que document gratuit.
- No. de tubes
- 5
- Lampes / Tubes
- Principe général
- Récepteur TRF en général (avec ou sans réaction inconnu)
- Gammes d'ondes
- PO uniquement
- Tension / type courant
- Piles (rechargeables ou/et sèches)
- Haut-parleur
- HP mais de technologie inconnue
- Matière
- Boitier en bois
- De Radiomuseum.org
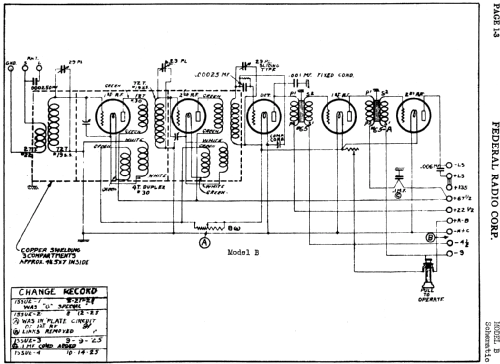
- Modèle: B35 Orthosonic - Federal Radio Corp. / Federal
- Forme
- Console avec pieds bas < 50% de la hauteur
- Remarques
- Three dials (primary tuning control knobs) . Also with 199 tubes.
- Prix de mise sur le marché
- 250.00 $
- Source extérieure
- Ernst Erb
- Source du schéma
- Rider's Perpetual, Volume 1 = 1931/1934 (for 1919-1931)
- Littérature
- Collector's Guide to Antique Radios 4. Edition
- Schémathèque (1)
- Radio Manufacturers of the 1920s, Vol 1
- D'autres Modèles
-
Vous pourrez trouver sous ce lien 205 modèles d'appareils, 97 avec des images et 133 avec des schémas.
Tous les appareils de Federal Radio Corp. / Federal Telephone & Telegraph Co.; Buffalo, NY