- Land
- USA
- Hersteller / Marke
- Freed-Eisemann Radio Corp.; New York, NY
- Jahr
- 1933
- Kategorie
- Rundfunkempfänger (Radio - oder Tuner nach WW2)
- Radiomuseum.org ID
- 40906
Klicken Sie auf den Schaltplanausschnitt, um diesen kostenlos als Dokument anzufordern.
- Anzahl Röhren
- 6
- Hauptprinzip
- Superhet allgemein; ZF/IF 175 kHz; 3 NF-Stufe(n)
- Anzahl Kreise
- 6 Kreis(e) AM
- Wellenbereiche
- Mittelwelle und Kurzwelle.
- Betriebsart / Volt
- Wechselstromspeisung / 115 Volt
- Lautsprecher
- Dynamischer LS, mit Erregerspule (elektrodynamisch)
- Material
- Gerät mit Holzgehäuse
- von Radiomuseum.org
- Modell: 360 - Freed-Eisemann Radio Corp.;
- Form
- Tischgerät, Hochformat, dekoratives Gehäuse oder runde Ecken.
- Bemerkung
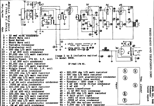
- Bandfilter input circuits for BC band. There is also model 360X (BC only).
- Datenherkunft extern
- Ernst Erb
- Schaltungsnachweis
- Rider's Perpetual, Volume 4 = ca. 1934 and before
- Literatur/Schema (1)
- Machine Age to Jet Age II (page 131)
- Weitere Modelle
-
Hier finden Sie 205 Modelle, davon 106 mit Bildern und 128 mit Schaltbildern.
Alle gelisteten Radios usw. von Freed-Eisemann Radio Corp.; New York, NY