Kraftverstärker 75 Watt 8321.906
Funkwerk Kölleda, VEB, RFT, - vorm. Neutrowerk, Neutro-Werk (Ostd.)
- Pays
- Allemagne
- Fabricant / Marque
- Funkwerk Kölleda, VEB, RFT, - vorm. Neutrowerk, Neutro-Werk (Ostd.)
- Année
- 1959 ?
- Catégorie
- Amplificateur BF ou mélangeur BF
- Radiomuseum.org ID
- 247942
Cliquez sur la vignette du schéma pour le demander en tant que document gratuit.
- No. de tubes
- 8
- Principe général
- Amplification audio
- Gammes d'ondes
- - sans
- Tension / type courant
- Alimentation Courant Alternatif (CA) / 110; 127; 220; 240 Volt
- Haut-parleur
- - Ce modèle nécessite des HP externes
- Puissance de sortie
- 60 W (qualité inconnue)
- Matière
- Boitier métallique
- De Radiomuseum.org
- Modèle: Kraftverstärker 75 Watt 8321.906 - Funkwerk Kölleda, VEB, RFT, -
- Forme
- Chassis (pour intégration dans meuble)
- Remarques
-
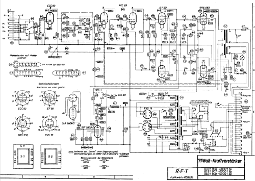
Kraftverstärker 75 W als Einschub für DIN-Gestelle oder in das Einzelgehäuse Typ 4009, mit Normfrontplatte 520x202 mm². Wird auch als V75 bezeichnet.
5-stufiger Gegentaktverstärker in Einschubtechnik, alle Anschlüsse über Messerleisten, CR-Eingang 100 kΩ, ≤100 mV für Vollaussteuerung über Eingangswahlschalter. Getrennte Höhen- und Tiefenregelung, 100-V-Ausgang, Aussteuerungsanzeige und Kontrolle der Arbeitspunkte der Endröhren über eingebautes Instrument.
Siehe auch: Kraftverstärker 75 Watt 8321.907 für Seefahrzeuge, geschützt gegen Spritzwasser. Eine weitere Version 8321.908 ist in seiner Frontplattenausführung in Spezialgestellen schwallwassergeschützt konstruiert.
- Poids net
- 23 kg / 50 lb 10.6 oz (50.661 lb)
- Littérature
- - - Manufacturers Literature (Bedienungsanleitung)
- Schémathèque (2)
- -- Schematic
- Auteur
- Modèle crée par Arpad Roth † 27.3.17. Voir les propositions de modification pour les contributeurs supplémentaires.
- D'autres Modèles
-
Vous pourrez trouver sous ce lien 127 modèles d'appareils, 103 avec des images et 45 avec des schémas.
Tous les appareils de Funkwerk Kölleda, VEB, RFT, - vorm. Neutrowerk, Neutro-Werk (Ostd.)