Amplificateur Arc en Ciel
Gaillard; Paris
- Paese
- Francia
- Produttore / Marca
- Gaillard; Paris
- Anno
- 1957 ?
- Categoria
- Amplificatore audio o mixer audio
- Radiomuseum.org ID
- 334220
Clicca sulla miniatura dello schema per richiederlo come documento gratuito.
- Numero di tubi
- 8
- Principio generale
- Amplificatore audio
- Gamme d'onda
- - senza
- Tensioni di funzionamento
- Alimentazione a corrente alternata (CA) / 110-245 Volt
- Altoparlante
- - Questo apparecchio richiede altoparlante/i esterno/i.
- Potenza d'uscita
- 12 W (qualità ignota)
- Materiali
- Mobile di metallo
- Radiomuseum.org
- Modello: Amplificateur Arc en Ciel - Gaillard; Paris
- Forma
- Console di qualsiasi tipo
- Dimensioni (LxAxP)
- 360 x 130 x 120 mm / 14.2 x 5.1 x 4.7 inch
- Annotazioni
-
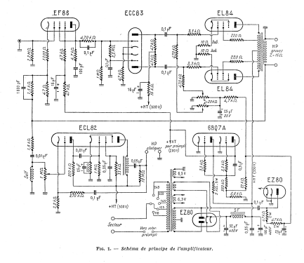
L'amplificateur "Arc en Ciel" décrit ici est l'un des composants d'une chaîne haute fidélité qui comporte 3 éléments
-1- Cet amplificateur de 12W
-2- Un préamplificateur équipé de 5 tubes: EF86 EF86 EF86 12AU7 & 6BQ7A qui est raccordé à l'entrée BF du bloc ampli. Ce dernier alimente le préampli en tension HT & 6,3V pour les filaments des tubes.
-3- Un baffle pourvu de 5 hauts parleurs: basses 35 cm, médium 17 cm, aigües 3 cellules electrostatiques qui sont alimentées par la voie aigües de cet amplificateur.Cet amplificateur est équipé d'un push-pull ultra-linéaire de pentodes EL84. Cet étage est attaqué par un déphaseur à couplage cathodique ECC83, précédé par un tube préamplificateur EF86 monté en triode.
La polarisation des EL84 est assurée par une alimentation en tension négative réalisée par redressement monoalternance EZ80, au secondaire du transformateur HT. Un équilibrage des courants des tubes EL84 est possible via 2 potentiomètres de 20 kΩ accessible sur le coté du chassis.
Une régulation de tension est réalisée pour l'alimentation du tube EF86 via le tube 6BQ7A. Cette tension régulée sera également prélevée pour alimenter le préamplificateur extérieur.
L'amplification des fréquences aigües est opérée par un tube ECL82. Le signal d'entrée est prélevé au secondaire du transformateur de sortie, puis filtré par une self avant d'attaquer la grille de la triode de l'ECL82 par un potentiométre qui permet de doser les composantes aigües.
- Bibliografia
- Le Haut-Parleur (N° 995 de septembre 1957 pages 35 à 46)
- Autore
- Modello inviato da Jean-Pierre Ambroise. Utilizzare "Proponi modifica" per inviare ulteriori dati.
- Altri modelli
-
In questo link sono elencati 54 modelli, di cui 46 con immagini e 40 con schemi.
Elenco delle radio e altri apparecchi della Gaillard; Paris