SM3
GBC; Milano
- País
- Italia
- Fabricante / Marca
- GBC; Milano
- Año
- 1958
- Categoría
- Radio - o Sintonizador pasado WW2
- Radiomuseum.org ID
- 123110
-
- alternative name: Gian Bruto Castelfranchi
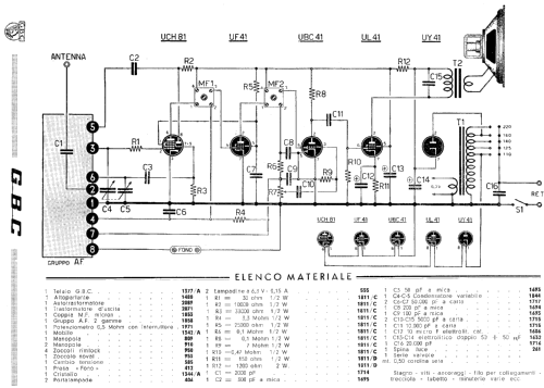
Haga clic en la miniatura esquemática para solicitarlo como documento gratuito.
- Numero de valvulas
- 5
- Principio principal
- Superheterodino en general
- Gama de ondas
- OM y OC
- Tensión de funcionamiento
- Red ( sin saber si es continua o alterna) / 110; 125; 140; 160; 220 Volt
- Altavoz
- Altavoz dinámico (de imán permanente)
- Material
- Inyectado (se desconoce si bakelita o plástico).
- de Radiomuseum.org
- Modelo: SM3 - GBC; Milano
- Forma
- Sobremesa de tamaño mediano sin botonera <= 35 cm. (Incluso portables pero sólo con alimantación por red).
- Ancho, altura, profundidad
- 270 x 165 x 125 mm / 10.6 x 6.5 x 4.9 inch
- Anotaciones
- Venduto in scatola di montaggio. Anche con marchio Faref.
- Precio durante el primer año
- 8,500.00 ITL
- Procedencia de los datos
- Guida Pratica Antique Radio II (2000)
- Mencionado en
- -- Original prospect or advert (GBC Electronics, Selezione di tecnica radio-tv, n.4, maggio 1958)
- Autor
- Modelo creado por Alessandro De Poi. Ver en "Modificar Ficha" los participantes posteriores.
- Otros modelos
-
Donde encontrará 558 modelos, 431 con imágenes y 247 con esquemas.
Ir al listado general de GBC; Milano
Colecciones
El modelo es parte de las colecciones de los siguientes miembros.