- País
- Estados Unidos
- Fabricante / Marca
- Gilfillan Bros.Inc.; Los Angeles (CA)
- Año
- 1935 ?
- Categoría
- Autoradio
- Radiomuseum.org ID
- 43091
Haga clic en la miniatura esquemática para solicitarlo como documento gratuito.
- Numero de valvulas
- 7
- Principio principal
- Superheterodino con paso previo de RF; ZF/IF 175 kHz
- Número de circuitos sintonía
- 7 Circuíto(s) AM
- Gama de ondas
- OM (onda media) solamente
- Tensión de funcionamiento
- Bateria recargable / 6 Volt
- Altavoz
- Altavoz electrodinámico (bobina de campo)
- de Radiomuseum.org
- Modelo: 700 - Gilfillan Bros.Inc.; Los
- Anotaciones
- Vibrator for +B.
- Ext. procedencia de los datos
- Ernst Erb
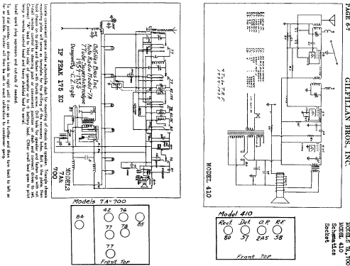
- Referencia esquema
- Rider's Perpetual, Volume 6 = 1935 and before
- Otros modelos
-
Donde encontrará 190 modelos, 118 con imágenes y 129 con esquemas.
Ir al listado general de Gilfillan Bros.Inc.; Los Angeles (CA)