Baroness 1109
Graetz, Altena (Westfalen)
- Country
- Germany
- Manufacturer / Brand
- Graetz, Altena (Westfalen)
- Year
- 1962/1963
- Category
- Broadcast Receiver - or past WW2 Tuner
- Radiomuseum.org ID
- 24268
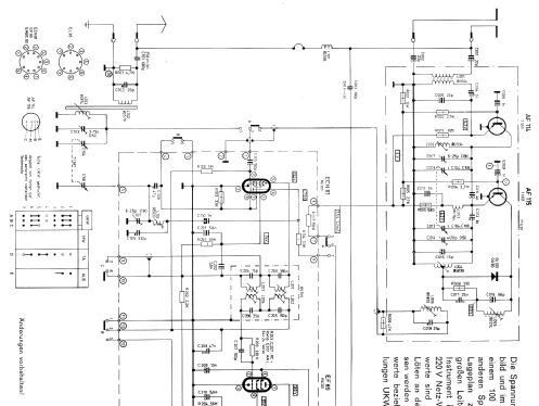
Click on the schematic thumbnail to request the schematic as a free document.
- Number of Tubes
- 4
- Number of Transistors
- 2
- Main principle
- Superheterodyne (common); ZF/IF 460/6750 kHz
- Tuned circuits
- 6 AM circuit(s) 9 FM circuit(s)
- Wave bands
- Broadcast (BC) and FM or UHF.
- Power type and voltage
- Alternating Current supply (AC) / 127/220 Volt
- Loudspeaker
- Permanent Magnet Dynamic (PDyn) Loudspeaker (moving coil) - elliptical
- Power out
- 1.8 W (unknown quality)
- Material
- Wooden case
- from Radiomuseum.org
- Model: Baroness 1109 - Graetz, Altena Westfalen
- Shape
- Tablemodel with Push Buttons.
- Dimensions (WHD)
- 360 x 215 x 175 mm / 14.2 x 8.5 x 6.9 inch
- Notes
- UKW-Teil mit Transistoren.
- Net weight (2.2 lb = 1 kg)
- 5 kg / 11 lb 0.2 oz (11.013 lb)
- Price in first year of sale
- 238.00 DM
- External source of data
- Erb
- Source of data
- Handbuch VDRG 1962/1963
- Other Models
-
Here you find 783 models, 703 with images and 599 with schematics for wireless sets etc. In French: TSF for Télégraphie sans fil.
All listed radios etc. from Graetz, Altena (Westfalen)
Collections
The model Baroness is part of the collections of the following members.