- Hersteller / Marke
- Grundig (Radio-Vertrieb, RVF, Radiowerke); Fürth/Bayern
- Jahr
- 1973/1974
- Kategorie
- Fernseh-Empfänger/Monitor
- Radiomuseum.org ID
- 134462
- 
        - anderer Name: Grundig Portugal || Grundig USA / Lextronix
 
Klicken Sie auf den Schaltplanausschnitt, um diesen kostenlos als Dokument anzufordern.
- Anzahl Röhren
- 5
- Anzahl Transistoren
- 13
- Halbleiter
- Hauptprinzip
- Superhet allgemein
- Wellenbereiche
- Wellen in den Bemerkungen.
- Betriebsart / Volt
- Wechselstromspeisung / 220 Volt
- Lautsprecher
- Dynamischer LS, keine Erregerspule (permanentdynamisch)
- Material
- Gerät mit Holzgehäuse
       Die GFGF Zeitschrift Funkgeschichte bringt interessante Artikel zu Radios, Funkwesen und Medien. Bei Radiomuseum.org finden Sie die vollständigen Hefte früherer Ausgaben als PDF zum Download.
      
      - von Radiomuseum.org
- Modell: Exclusiv 851 - Grundig Radio-Vertrieb, RVF,
- Form
- Tischmodell, Zusatz nicht bekannt - allgemein.
- Abmessungen (BHT)
- 720 x 490 x 390 mm / 28.3 x 19.3 x 15.4 inch
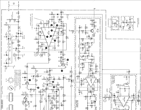
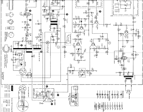
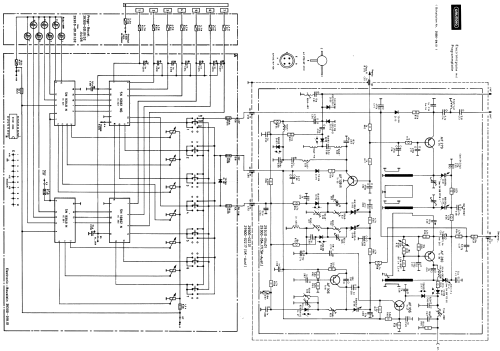
- Bemerkung
- 3 IC: TBA120S, TBA400, TBA920
 Empfangsbereich VHF/UHF
 Fernregler II.
- Datenherkunft
- -- Original prospect or advert
- Autor
- Modellseite von Sándor Selyem-Tóth angelegt. Siehe bei "Änderungsvorschlag" für weitere Mitarbeit.
- Weitere Modelle
- 
        Hier finden Sie 6251 Modelle, davon 5496 mit Bildern und 4255 mit Schaltbildern. 
 Alle gelisteten Radios usw. von Grundig (Radio-Vertrieb, RVF, Radiowerke); Fürth/Bayern
Forumsbeiträge zum Modell: Grundig Radio-: Exclusiv 851
Threads: 1 | Posts: 1
In folgenden Geräten ist das gleiche Chassis verbaut:
Exclusiv 651, Elite 831, Elite 631, Triumph 811, Triumph 611
Daniel Doll, 26.Oct.08
 
                
                
               