HIFI-Studio RC300 (a)
Grundig (Radio-Vertrieb, RVF, Radiowerke); Fürth/Bayern
- Paese
- Germania
- Produttore / Marca
- Grundig (Radio-Vertrieb, RVF, Radiowerke); Fürth/Bayern
- Anno
- 1976–1978
- Categoria
- Radio (o sintonizzatore del dopoguerra WW2)
- Radiomuseum.org ID
- 110225
-
- alternative name: Grundig Portugal || Grundig USA / Lextronix
Clicca sulla miniatura dello schema per richiederlo come documento gratuito.
- Numero di transistor
- 41
- Semiconduttori
- Principio generale
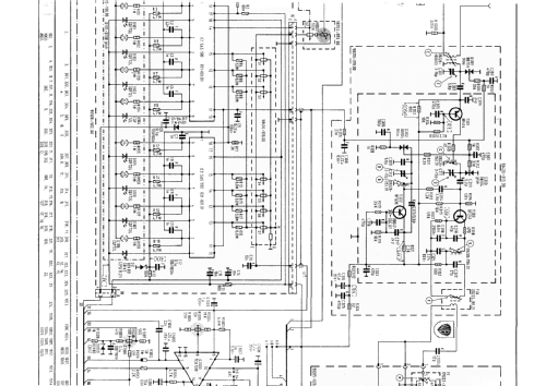
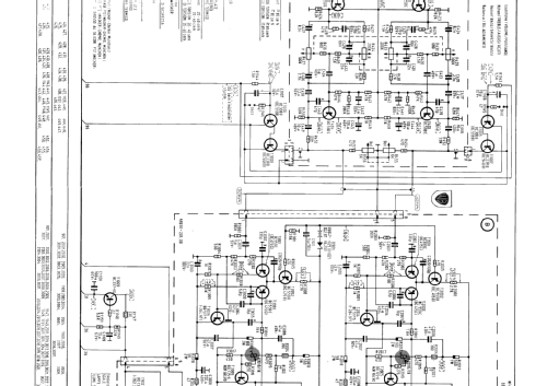
- Supereterodina (in generale); ZF/IF 10700/460 kHz
- N. di circuiti accordati
- 7 Circuiti Mod. Amp. (AM) 14 Circuiti Mod. Freq. (FM)
- Gamme d'onda
- Onde medie (OM), lunghe (OL), corte (OC) e MF (FM).
- Particolarità
- Registratore o riprod a cassett
- Tensioni di funzionamento
- Alimentazione a corrente alternata (CA) / 110-130; 220-240 Volt
- Altoparlante
- - Questo apparecchio richiede altoparlante/i esterno/i.
- Materiali
- Vari materiali
- Radiomuseum.org
- Modello: HIFI-Studio RC300 - Grundig Radio-Vertrieb, RVF,
- Forma
- Apparecchio per ripiani a scaffale (come i componibili HiFi).
- Dimensioni (LxAxP)
- 690 x 200 x 430 mm / 27.2 x 7.9 x 16.9 inch
- Annotazioni
- ICs: 8.
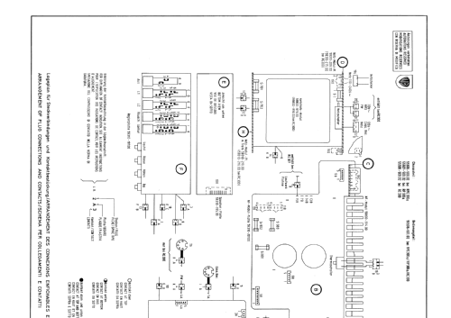
Zweiweg-HiFi-Studio. Ausgangsleistung: 2× 50 W (Musik) bzw. 4× 30 W (Musik). 7 UKW-Sender fix abstimmbar und über Sensortasten abrufbar.
Cassetten-Recoder Grundig CN500.
2 Ausführungen:
RC300 = Gehäuse metallic
RC300a = Gehäuse schwarz.
- Fonte dei dati
- Handbuch VDRG 1976/1977
- Letteratura / Schemi (1)
- -- Original-techn. papers.
- Autore
- Modello inviato da Wolfgang Bauer. Utilizzare "Proponi modifica" per inviare ulteriori dati.
- Altri modelli
-
In questo link sono elencati 6250 modelli, di cui 5496 con immagini e 4249 con schemi.
Elenco delle radio e altri apparecchi della Grundig (Radio-Vertrieb, RVF, Radiowerke); Fürth/Bayern