Stereo-Konzertschrank KS60M Ch= HF10+NF1 Rüster/Teak
Grundig (Radio-Vertrieb, RVF, Radiowerke); Fürth/Bayern
- Hersteller / Marke
- Grundig (Radio-Vertrieb, RVF, Radiowerke); Fürth/Bayern
- Jahr
- 1963/1964
- Kategorie
- Rundfunkempfänger (Radio - oder Tuner nach WW2)
- Radiomuseum.org ID
- 27881
-
- anderer Name: Grundig Portugal || Grundig USA / Lextronix
Klicken Sie auf den Schaltplanausschnitt, um diesen kostenlos als Dokument anzufordern.
- Anzahl Röhren
- 10
- Anzahl Transistoren
- Hauptprinzip
- Superhet allgemein
- Anzahl Kreise
- 8 Kreis(e) AM 12 Kreis(e) FM
- Wellenbereiche
- Langwelle, Mittelwelle, Kurzwelle und UKW.
- Spezialitäten
- Plattenwechsler
- Betriebsart / Volt
- Wechselstromspeisung / 110; 125; 220 Volt
- Lautsprecher
- 4 Lautsprecher
- Belastbarkeit / Leistung
- 17 W (Qualität unbekannt)
- Material
- Gerät mit Holzgehäuse
Die GFGF Zeitschrift Funkgeschichte bringt interessante Artikel zu Radios, Funkwesen und Medien. Bei Radiomuseum.org finden Sie die vollständigen Hefte früherer Ausgaben als PDF zum Download.
- von Radiomuseum.org
- Modell: Stereo-Konzertschrank KS60M Ch= HF10+NF1 [Rüster/Teak] - Grundig Radio-Vertrieb, RVF,
- Form
- Standgerät mit Drucktasten.
- Abmessungen (BHT)
- 1110 x 750 x 400 mm / 43.7 x 29.5 x 15.7 inch
- Bemerkung
-
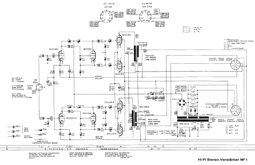
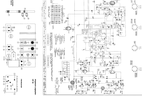
Rundfunk-Chassis = HF10
NF-Baustein = NF1, Ausgangsleistung = 2× 8,5 W
Phono-Chassis = Dual 1008AStereo-Decoder 4 oder 5 nachrüstbar.
- Originalpreis
- 1,388.00 DM
- Datenherkunft extern
- Erb
- Datenherkunft
- Handbuch VDRG 1963/1964
- Weitere Modelle
-
Hier finden Sie 6251 Modelle, davon 5496 mit Bildern und 4255 mit Schaltbildern.
Alle gelisteten Radios usw. von Grundig (Radio-Vertrieb, RVF, Radiowerke); Fürth/Bayern