Stereo-Konzertschrank KS80 Ch= HF10/NF1 Altdeutsch
Grundig (Radio-Vertrieb, RVF, Radiowerke); Fürth/Bayern
- Country
- Germany
- Manufacturer / Brand
- Grundig (Radio-Vertrieb, RVF, Radiowerke); Fürth/Bayern
- Year
- 1963/1964
- Category
- Broadcast Receiver - or past WW2 Tuner
- Radiomuseum.org ID
- 27886
-
- alternative name: Grundig Portugal || Grundig USA / Lextronix
Click on the schematic thumbnail to request the schematic as a free document.
- Number of Tubes
- 10
- Main principle
- Superheterodyne (common)
- Tuned circuits
- 8 AM circuit(s) 12 FM circuit(s)
- Wave bands
- Broadcast, Long Wave, Short Wave plus FM or UHF.
- Details
- Changer (Record changer)
- Power type and voltage
- Alternating Current supply (AC) / 110; 125; 220 Volt
- Loudspeaker
- 6 Loudspeakers
- Material
- Wooden case
- from Radiomuseum.org
- Model: Stereo-Konzertschrank KS80 Ch= HF10/NF1 [Altdeutsch] - Grundig Radio-Vertrieb, RVF,
- Shape
- Console with Push Buttons.
- Dimensions (WHD)
- 1750 x 880 x 470 mm / 68.9 x 34.6 x 18.5 inch
- Notes
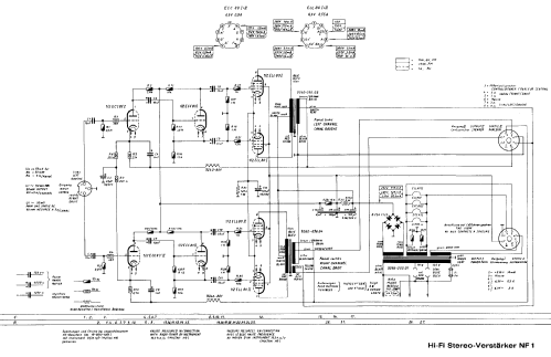
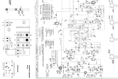
- Rundfunk-Chassis = HF10, Stereo-Decoder 4 oder 5 nachrüstbar; NF-Baustein = NF1, Ausgangsleistung = 2× 8,5 W;
Phono-Chassis = Dual 1008.
- Net weight (2.2 lb = 1 kg)
- 80 kg / 176 lb 3.4 oz (176.211 lb)
- Price in first year of sale
- 2,398.00 DM
- External source of data
- Erb
- Source of data
- Handbuch VDRG 1963/1964
- Other Models
-
Here you find 6250 models, 5496 with images and 4251 with schematics for wireless sets etc. In French: TSF for Télégraphie sans fil.
All listed radios etc. from Grundig (Radio-Vertrieb, RVF, Radiowerke); Fürth/Bayern