- País
- Alemania
- Fabricante / Marca
- Grundig (Radio-Vertrieb, RVF, Radiowerke); Fürth/Bayern
- Año
- 1981
- Categoría
- Radio - o Sintonizador pasado WW2
- Radiomuseum.org ID
- 172830
-
- alternative name: Grundig Portugal || Grundig USA / Lextronix
Haga clic en la miniatura esquemática para solicitarlo como documento gratuito.
- Numero de transistores
- Hay semiconductores.
- Semiconductores
- LA4125
- Principio principal
- Superheterodino en general; ZF/IF 406/10700 kHz
- Gama de ondas
- OM, OL, OC y FM
- Especialidades
- Grabador y/o Reprod de cassetes
- Tensión de funcionamiento
- Red / Baterías o pilas / 220 / 9 Volt
- Altavoz
- 2 Altavoces
- Potencia de salida
- 4.8 W (unknown quality)
- Material
- Plástico moderno (Nunca bakelita o catalina)
- de Radiomuseum.org
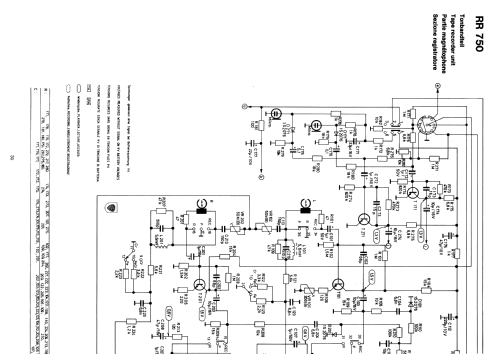
- Modelo: RR750 - Grundig Radio-Vertrieb, RVF,
- Forma
- Portátil > 20 cm (sin la necesidad de una red)
- Ancho, altura, profundidad
- 430 x 270 x 140 mm / 16.9 x 10.6 x 5.5 inch
- Anotaciones
-
6 UKW Fixtasten.
- Peso neto
- 4.8 kg / 10 lb 9.2 oz (10.573 lb)
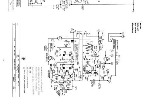
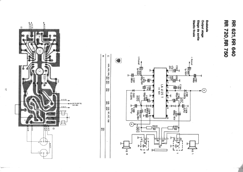
- Documentación / Esquemas (1)
- -- Original-techn. papers.
- Autor
- Modelo creado por Wolfgang Bauer. Ver en "Modificar Ficha" los participantes posteriores.
- Otros modelos
-
Donde encontrará 6250 modelos, 5496 con imágenes y 4249 con esquemas.
Ir al listado general de Grundig (Radio-Vertrieb, RVF, Radiowerke); Fürth/Bayern
Colecciones
El modelo es parte de las colecciones de los siguientes miembros.