Super Color 6242
Grundig (Radio-Vertrieb, RVF, Radiowerke); Fürth/Bayern
- Paese
- Germania
- Produttore / Marca
- Grundig (Radio-Vertrieb, RVF, Radiowerke); Fürth/Bayern
- Anno
- 1977/1978
- Categoria
- Televisore (TV) / Monitor
- Radiomuseum.org ID
- 288960
-
- alternative name: Grundig Portugal || Grundig USA / Lextronix
Clicca sulla miniatura dello schema per richiederlo come documento gratuito.
- Numero di tubi
- 1
- Valvole
- 560BYB22-TC01
- Numero di transistor
- A semiconduttori.
- Semiconduttori
- Principio generale
- Supereterodina con stadio RF; ZF/IF 38900 kHz
- Gamme d'onda
- VHF/UHF (ved. i dettagli nelle note)
- Particolarità
- Telecomando (con o senza filo)
- Tensioni di funzionamento
- Alimentazione a corrente alternata (CA) / 220 Volt
- Altoparlante
- AP magnetodinamico (magnete permanente e bobina mobile)
- Materiali
- Mobile in legno
- Radiomuseum.org
- Modello: Super Color 6242 - Grundig Radio-Vertrieb, RVF,
- Forma
- Soprammobile basso, con andamento orizzontale (grosse dimensioni).
- Annotazioni
-
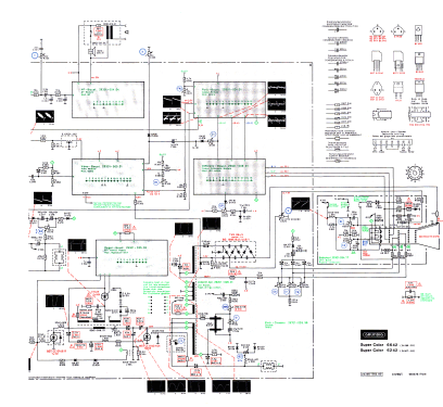
56cm Toshiba Bildröhre (Blackstripe), Fernbedienung Tele-Pilot 160 E.
- Letteratura / Schemi (1)
- -- Original-techn. papers.
- Autore
- Modello inviato da Wolfgang Bauer. Utilizzare "Proponi modifica" per inviare ulteriori dati.
- Altri modelli
-
In questo link sono elencati 6250 modelli, di cui 5496 con immagini e 4249 con schemi.
Elenco delle radio e altri apparecchi della Grundig (Radio-Vertrieb, RVF, Radiowerke); Fürth/Bayern