Cassette Recorder CR 590 Stereo
Grundig (Radio-Vertrieb, RVF, Radiowerke); Fürth/Bayern
- Paese
- Germania
- Produttore / Marca
- Grundig (Radio-Vertrieb, RVF, Radiowerke); Fürth/Bayern
- Anno
- 1985 ?
- Categoria
- Registratore audio/video e/o riproduttore
- Radiomuseum.org ID
- 124047
-
- alternative name: Grundig Portugal || Grundig USA / Lextronix
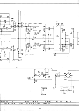
Clicca sulla miniatura dello schema per richiederlo come documento gratuito.
- Numero di transistor
- 5
- Principio generale
- Amplificatore audio
- Particolarità
- Registratore o riprod a cassett
- Tensioni di funzionamento
- Rete / Batterie (ogni tipo) / 220-240 / C: 6 x 1.5 Volt
- Altoparlante
- 2 altoparlanti
- Materiali
- Plastica (non bachelite o catalina)
- Radiomuseum.org
- Modello: Cassette Recorder CR 590 Stereo - Grundig Radio-Vertrieb, RVF,
- Forma
- Apparecchio portatile > 20 cm (senza la necessità di una rete)
- Dimensioni (LxAxP)
- 192 x 65 x 256 mm / 7.6 x 2.6 x 10.1 inch
- Annotazioni
-
Besonderheit: Stereo Recorder .. Lautstärke für beide Seiten getrennt regelbar .. Mischregler für Klang .. Umschalter für Stereo/Superstereo .. Batteriebetrieb mit 6x1,5V Babyzellen möglich.
Halbleiter sind 1x pro Typ gelistet
- Peso netto
- 1.7 kg / 3 lb 11.9 oz (3.744 lb)
- Prezzo nel primo anno
- 150.00 DM
- Bibliografia
- - - Manufacturers Literature (Grundig Revue 1988 S.89)
- Letteratura / Schemi (1)
- -- Original-techn. papers.
- Autore
- Modello inviato da Guido Höh. Utilizzare "Proponi modifica" per inviare ulteriori dati.
- Altri modelli
-
In questo link sono elencati 6250 modelli, di cui 5496 con immagini e 4249 con schemi.
Elenco delle radio e altri apparecchi della Grundig (Radio-Vertrieb, RVF, Radiowerke); Fürth/Bayern
Collezioni
Il modello Cassette Recorder fa parte delle collezioni dei seguenti membri.