- Country
- Germany
- Manufacturer / Brand
- Grundig (Radio-Vertrieb, RVF, Radiowerke); Fürth/Bayern
- Year
- 1989 ?
- Category
- Car Radio, perhaps also + sound player/recorder
- Radiomuseum.org ID
- 272140
-
- alternative name: Grundig Portugal || Grundig USA / Lextronix
Click on the schematic thumbnail to request the schematic as a free document.
- Number of Transistors
- Semiconductors present.
- Semiconductors
- Main principle
- PLL, Phase-locked loop
- Wave bands
- Broadcast, Long Wave and FM or UHF.
- Details
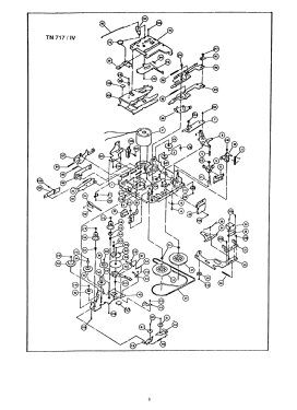
- Cassette-Recorder or -Player
- Power type and voltage
- Storage Battery for all (e.g. for car radios and amateur radios) / 12 Volt
- Loudspeaker
- - This model requires external speaker(s).
- Material
- Metal case
- from Radiomuseum.org
- Model: WKC3851 RDS - Grundig Radio-Vertrieb, RVF,
- Shape
- Chassis only or for «building in»
- Dimensions (WHD)
- 185 x 185 x 50 mm / 7.3 x 7.3 x 2 inch
- Notes
-
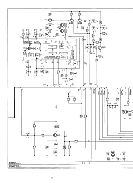
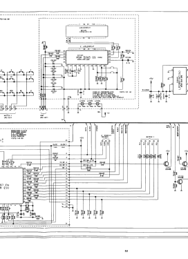
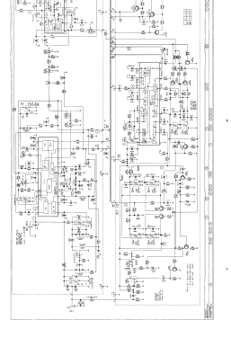
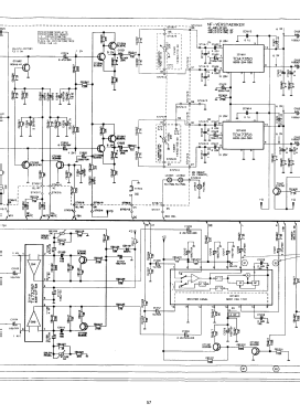
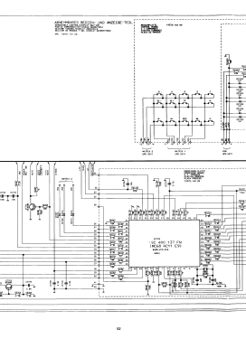
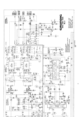
Grundig WKC3851RDS ist ein UKW/MW Autoradio mit RDS (Radio Data System) mit den Funktionen:
- Anzeige des Sendernamens (PI)
- Umschaltung auf alternative Frequenz der gleichen Senderkette (AF)
- Auswertung der Verkehrsfunk-Kennung (TP, TA)
Cassettenteil mit Autoreverse und schaltbarer Dolby B Rauschverminderung.
Abnehmbares Bedienteil mit zusätzlicher Code-Sicherung.
- Price in first year of sale
- 798.00 DM
- Literature/Schematics (1)
- -- Original-techn. papers.
- Author
- Model page created by Ciro Guidi. See "Data change" for further contributors.
- Other Models
-
Here you find 6250 models, 5496 with images and 4249 with schematics for wireless sets etc. In French: TSF for Télégraphie sans fil.
All listed radios etc. from Grundig (Radio-Vertrieb, RVF, Radiowerke); Fürth/Bayern
Museums
The model can be seen in the following museums.