XS 55/1 Ch= CUC 7350
Grundig (Radio-Vertrieb, RVF, Radiowerke); Fürth/Bayern
- Hersteller / Marke
- Grundig (Radio-Vertrieb, RVF, Radiowerke); Fürth/Bayern
- Jahr
- 1995 ?
- Kategorie
- Fernseh-Empfänger/Monitor
- Radiomuseum.org ID
- 250584
-
- anderer Name: Grundig Portugal || Grundig USA / Lextronix
Klicken Sie auf den Schaltplanausschnitt, um diesen kostenlos als Dokument anzufordern.
- Anzahl Röhren
- 1
- Röhren
- Anzahl Transistoren
- Halbleiter vorhanden.
- Halbleiter
- Hauptprinzip
- PLL, Phase-locked loop (Phasenregelschleife); ZF/IF 38900 kHz
- Wellenbereiche
- VHF/UHF (siehe Bemerkungen)
- Spezialitäten
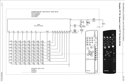
- Fernbed/-steuerung (Radio etc.)
- Betriebsart / Volt
- Wechselstromspeisung / 165-265 Volt
- Lautsprecher
- 2 Lautsprecher
- Belastbarkeit / Leistung
- 16 W (max./spitze)
- Material
- Plastikgehäuse (nicht Bakelit), Thermoplast
Die GFGF Zeitschrift Funkgeschichte bringt interessante Artikel zu Radios, Funkwesen und Medien. Bei Radiomuseum.org finden Sie die vollständigen Hefte früherer Ausgaben als PDF zum Download.
- von Radiomuseum.org
- Modell: XS 55/1 Ch= CUC 7350 - Grundig Radio-Vertrieb, RVF,
- Form
- Tischgerät-gross, - Querformat (breiter als hoch oder quadratisch).
- Bemerkung
-
Farbfernseher mit 55cm Black Matrix Bildröhre.
99 Programmspeicher + 2 AV,
Hyperband Kabeltuner,
PAL /SECAM /NTSC 4,43 MHz, BG, DK,
Stromaufnahme ca. 55W, Standby ca. 6W.
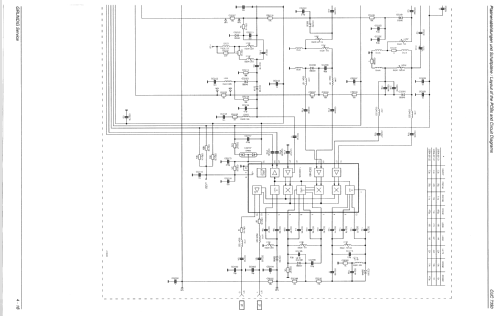
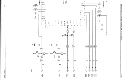
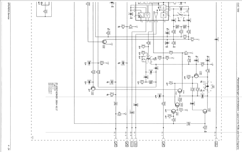
- Literatur/Schema (1)
- -- Original-techn. papers.
- Autor
- Modellseite von einem Mitglied aus D angelegt. Siehe bei "Änderungsvorschlag" für weitere Mitarbeit.
- Weitere Modelle
-
Hier finden Sie 6250 Modelle, davon 5496 mit Bildern und 4249 mit Schaltbildern.
Alle gelisteten Radios usw. von Grundig (Radio-Vertrieb, RVF, Radiowerke); Fürth/Bayern