Zauberspiegel 300K40 wie TV T320 + Rfk HF20 + NF1 Altdeutsch
Grundig (Radio-Vertrieb, RVF, Radiowerke); Fürth/Bayern
- Hersteller / Marke
- Grundig (Radio-Vertrieb, RVF, Radiowerke); Fürth/Bayern
- Jahr
- 1963/1964
- Kategorie
- Fernseh-Empfänger mit Radio evtl. Komb.m.Ton-/Bildsp.
- Radiomuseum.org ID
- 108341
-
- anderer Name: Grundig Portugal || Grundig USA / Lextronix
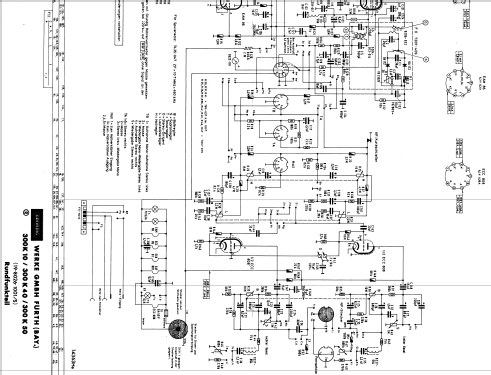
Klicken Sie auf den Schaltplanausschnitt, um diesen kostenlos als Dokument anzufordern.
- Hauptprinzip
- Superhet allgemein
- Wellenbereiche
- Wellen in den Bemerkungen.
- Spezialitäten
- Plattenwechsler; Fernbed/-steuerung (Radio etc.)
- Betriebsart / Volt
- Wechselstromspeisung / 220 Volt
- Lautsprecher
- 4 Lautsprecher
- Material
- Gerät mit Holzgehäuse
Die GFGF Zeitschrift Funkgeschichte bringt interessante Artikel zu Radios, Funkwesen und Medien. Bei Radiomuseum.org finden Sie die vollständigen Hefte früherer Ausgaben als PDF zum Download.
- von Radiomuseum.org
- Modell: Zauberspiegel 300K40 wie TV T320 + Rfk HF20 + NF1 [Altdeutsch] - Grundig Radio-Vertrieb, RVF,
- Form
- Standgerät mit Drucktasten.
- Abmessungen (BHT)
- 1420 x 880 x 470 mm / 55.9 x 34.6 x 18.5 inch
- Bemerkung
- Fernseh-Chassis = Zauberspiegel T320, jedoch ohne Ton-Endstufe; Rundfunk-Chassis = HF20 und NF1; Stereo-Decoder 4 oder 5 nachrüstbar; Phono-Chassis = Philips AG1025.
- Nettogewicht
- 90 kg / 198 lb 3.8 oz (198.238 lb)
- Originalpreis
- 3,545.00 DM
- Datenherkunft
- Handbuch VDRG 1963/1964
- Autor
- Modellseite von Bernd P. Kieck angelegt. Siehe bei "Änderungsvorschlag" für weitere Mitarbeit.
- Weitere Modelle
-
Hier finden Sie 6250 Modelle, davon 5496 mit Bildern und 4249 mit Schaltbildern.
Alle gelisteten Radios usw. von Grundig (Radio-Vertrieb, RVF, Radiowerke); Fürth/Bayern