- Country
- Germany
- Manufacturer / Brand
- Hagenuk (N&K), Hanseatische App.bau-Ges., Neufeldt & Kuhnke, Nordmark
- Year
- 1949/1950
- Category
- Broadcast Receiver - or past WW2 Tuner
- Radiomuseum.org ID
- 2313
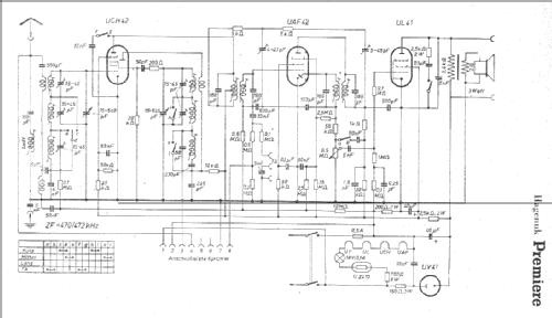
Click on the schematic thumbnail to request the schematic as a free document.
- Number of Tubes
- 4
- Main principle
- Superheterodyne (common); ZF/IF 470 kHz
- Tuned circuits
- 6 AM circuit(s)
- Wave bands
- Ready for FM, has Broadcast, Long Wave, Short wave.
- Power type and voltage
- AC/DC-set / 220 Volt
- Loudspeaker
- Permanent Magnet Dynamic (PDyn) Loudspeaker (moving coil) / Ø 17 cm = 6.7 inch
- Material
- Wooden case
- from Radiomuseum.org
- Model: Premiere - Hagenuk N&K, Hanseatische App.
- Dimensions (WHD)
- 476 x 355 x 230 mm / 18.7 x 14 x 9.1 inch
- Notes
- für UKW-Vors.;ZF470/472
- Price in first year of sale
- 368.00 DM
- Source of data
- Katalog Weide, 1949/50. / Radiokatalog Band 1, Ernst Erb
- Circuit diagram reference
- Lange-Nowisch
- Mentioned in
- Funkschau (4914)
- Other Models
-
Here you find 179 models, 144 with images and 70 with schematics for wireless sets etc. In French: TSF for Télégraphie sans fil.
All listed radios etc. from Hagenuk (N&K), Hanseatische App.bau-Ges., Neufeldt & Kuhnke, Nordmark