- Country
- Belgium
- Manufacturer / Brand
- His Master's Voice (HMV, EMI); Bruxelles
- Year
- 1962 ??
- Category
- Television Receiver (TV) or Monitor
- Radiomuseum.org ID
- 188774
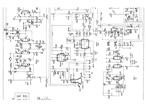
Click on the schematic thumbnail to request the schematic as a free document.
- Number of Tubes
- 21
- Valves / Tubes
- PCC189 PCF86 EF183 EF184 ECC83 PL84 EF183 EF183 EF184 PCL84 PCF80 ECH84 PCF80 ECC82 PCF802 PL500 PY88 DY87 PCF80 PCL85 23SP4
- Number of Transistors
- Main principle
- Superheterodyne (common)
- Wave bands
- VHF incl. FM and/or UHF (see notes for details)
- Power type and voltage
- Alternating Current supply (AC) / 110; 130; 220; 240 Volt
- Loudspeaker
- Permanent Magnet Dynamic (PDyn) Loudspeaker (moving coil)
- Material
- Wooden case
- from Radiomuseum.org
- Model: 214 - His Master's Voice HMV, EMI;
- Source of data
- -- Schematic
- Author
- Model page created by Dirk Bladt. See "Data change" for further contributors.
- Other Models
-
Here you find 76 models, 66 with images and 19 with schematics for wireless sets etc. In French: TSF for Télégraphie sans fil.
All listed radios etc. from His Master's Voice (HMV, EMI); Bruxelles