Orgaphon 45 MH
Hohner, Matthias, AG; Trossingen
- Pays
- Allemagne
- Fabricant / Marque
- Hohner, Matthias, AG; Trossingen
- Année
- 1965 ?
- Catégorie
- Amplificateur BF ou mélangeur BF
- Radiomuseum.org ID
- 129683
Cliquez sur la vignette du schéma pour le demander en tant que document gratuit.
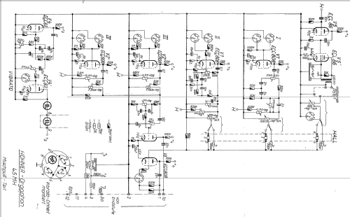
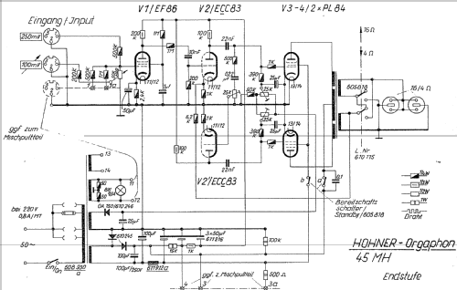
- No. de tubes
- 9
- No. de transistors
- 5
- Semi-conducteurs
- Principe général
- Amplification audio
- Gammes d'ondes
- - sans
- Tension / type courant
- Alimentation Courant Alternatif (CA) / 220 Volt
- Haut-parleur
- 2 HP / Ø 25.4 cm = 10 inch
- Puissance de sortie
- 45 W (qualité inconnue)
- Matière
- Matériaux divers
- De Radiomuseum.org
- Modèle: Orgaphon 45 MH - Hohner, Matthias, AG;
- Forme
- Console de forme générique
- Dimensions (LHP)
- 700 x 500 x 250 mm / 27.6 x 19.7 x 9.8 inch
- Remarques
- 5x BY250
40Hz...18kHz Bereitschaft 120W, Leerlauf 90W, Musik 45, Dauer 40W /<1% bei 1kHz
LS: Breitbandsystem 2x 10"
- Poids net
- 25 kg / 55 lb 1.1 oz (55.066 lb)
- Source
- -- Collector info (Sammler)
- Auteur
- Modèle crée par Willi Ribbe. Voir les propositions de modification pour les contributeurs supplémentaires.
- D'autres Modèles
-
Vous pourrez trouver sous ce lien 33 modèles d'appareils, 31 avec des images et 19 avec des schémas.
Tous les appareils de Hohner, Matthias, AG; Trossingen