Diola-Stereo WM4200T /00 Endstufe OC74
Horny (Hornyphon); Wien
- Pays
- Autriche
- Fabricant / Marque
- Horny (Hornyphon); Wien
- Année
- 1962
- Catégorie
- Enrégistreur et/ou reproducteur son/video
- Radiomuseum.org ID
- 80002
-
- Brand: Hornyphon
Cliquez sur la vignette du schéma pour le demander en tant que document gratuit.
- No. de transistors
- 13
- Semi-conducteurs
- AC107 or. OC58 OC75 OC44 AC107 or. OC58 OC75 OC44 OC75 OC75 OC74 OC74 OC74 OC74 OC79
- Principe général
- Amplification audio
- Gammes d'ondes
- - sans
- Particularités
- Magnétophone à bandes
- Tension / type courant
- Alimentation Courant Alternatif (CA) / 110, 127, 220, 245 Volt
- Haut-parleur
- 2 HP
- Matière
- Cuir / canvas / plastique mais autre matériel en dessous!
- De Radiomuseum.org
- Modèle: Diola-Stereo WM4200T /00 [Endstufe OC74] - Horny Hornyphon; Wien
- Forme
- Modèle de table boitier avec vouvercle
- Dimensions (LHP)
- 390 x 180 x 330 mm / 15.4 x 7.1 x 13 inch
- Remarques
-
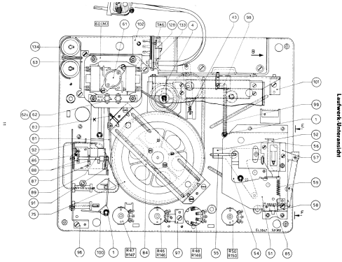
Geschwindigkeiten: 4,75 und 9,5cm/s, 18cm-Rollen, 4 Spur-Stereo.
Parallelgerät zum Philips Maestro 40 EL3547A/30 [Endstufe OC74].
Siehe auch: Hornyphon Diola Stereo [Endstufe AC128]
- Poids net
- 9 kg / 19 lb 13.2 oz (19.824 lb)
- Source
- -- Original-techn. papers. / Radiokatalog Band 2, Ernst Erb
- Schémathèque (1)
- -- Original-techn. papers.
- Auteur
- Modèle crée par Wolfgang Bauer. Voir les propositions de modification pour les contributeurs supplémentaires.
- D'autres Modèles
-
Vous pourrez trouver sous ce lien 879 modèles d'appareils, 788 avec des images et 586 avec des schémas.
Tous les appareils de Horny (Hornyphon); Wien
Collections
Le modèle Diola-Stereo fait partie des collections des membres suivants.