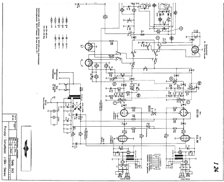
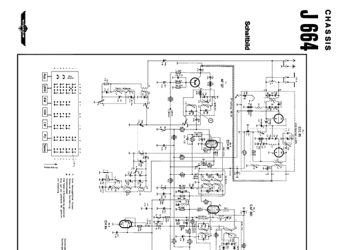
Adria Ch= J 664 TV-Ch= 1723
Imperial Rundfunk und Fernseh (Kuba-Imperial, auch General Electric); Osterode/Harz, Hemmingen
- País
- Alemania
- Fabricante / Marca
- Imperial Rundfunk und Fernseh (Kuba-Imperial, auch General Electric); Osterode/Harz, Hemmingen
- Año
- 1964/1965
- Categoría
- Televisión con radio y/o grabadora.
- Radiomuseum.org ID
- 116246
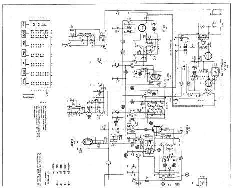
Haga clic en la miniatura esquemática para solicitarlo como documento gratuito.
- Numero de valvulas
- 15
- Válvulas
- ECC85 ECH81 EAF801 ECC83 EM84 ELL80 PFL200 PC92 PCL85 PCF802 PL500 PY88 DY86 PCL86 AW59-91 or WX59-105
- Numero de transistores
- 12
- Semiconductores
- AF109 AF106 AF102 AF139 AF139 OC304 AC127 AF115 AF127 AF121 AF121 AA111 BY242 OA150 RL43g V40C1 AF137 AA113 AA113
- Principio principal
- Superheterodino en general; ZF/IF 38900/460/10700 kHz
- Gama de ondas
- VHF/UHF (see notes for details)
- Especialidades
- Tocadiscos con cambiador autom.; Remote Control (with wire or wireless)
- Tensión de funcionamiento
- Red: Corriente alterna (CA, Inglés = AC) / 220 Volt
- Altavoz
- 6 Altavoces
- Material
- Madera
- de Radiomuseum.org
- Modelo: Adria Ch= J 664 TV-Ch= 1723 - Imperial Rundfunk und Fernseh
- Forma
- Consola con botonera.
- Ancho, altura, profundidad
- 1320 x 870 x 430 mm / 52 x 34.3 x 16.9 inch
- Anotaciones
-
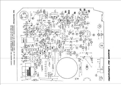
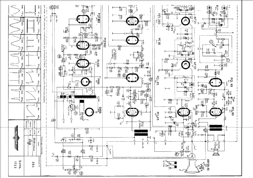
Fernseh-Chassis = 1723 mit VHF-Tuner TK 3 und UHF-Tuner DT 121 c.
Rundfunk-Chassis = J 664-Stereo;
Stereo-Plattenwechsler verschiedener Fabrikate.First 6 tubes and last 3 semiconductors belong to the Radio-Chassis J664
- Precio durante el primer año
- 1,998.00 DM
- Procedencia de los datos
- Handbuch VDRG 1964/1965
- Documentación / Esquemas (1)
- -- Original-techn. papers.
- Autor
- Modelo creado por Bernd P. Kieck. Ver en "Modificar Ficha" los participantes posteriores.
- Otros modelos
-
Donde encontrará 450 modelos, 420 con imágenes y 215 con esquemas.
Ir al listado general de Imperial Rundfunk und Fernseh (Kuba-Imperial, auch General Electric); Osterode/Harz, Hemmingen