UnaRadioNine (Uni-Nine)
Insuline Corp. Of America (ICA); New York City
- Produttore / Marca
- Insuline Corp. Of America (ICA); New York City
- Anno
- 1933
- Categoria
- Radio (o sintonizzatore del dopoguerra WW2)
- Radiomuseum.org ID
- 44952
Clicca sulla miniatura dello schema per richiederlo come documento gratuito.
- Numero di tubi
- 9
- Principio generale
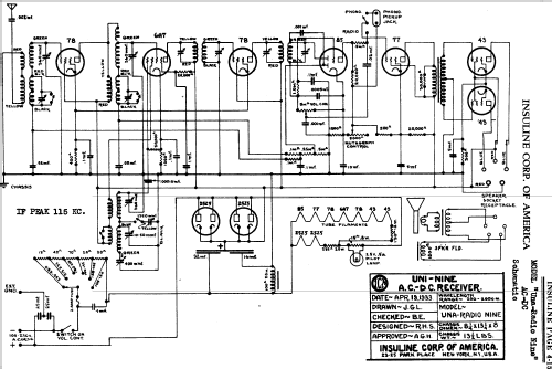
- Supereterodina con stadio RF; ZF/IF 115 kHz
- N. di circuiti accordati
- 7 Circuiti Mod. Amp. (AM)
- Gamme d'onda
- Onde medie (OM) e onde lunghe (OL).
- Tensioni di funzionamento
- Alimentazione universale (doppia: CC/CA) / 105-120;120-135;140-155;180-200;215-235;235-250 Volt
- Altoparlante
- AP elettrodinamico (bobina mobile e bobina di eccitazione/di campo)
- Materiali
- Mobile in legno
- Radiomuseum.org
- Modello: UnaRadioNine - Insuline Corp. Of America ICA;
- Forma
- Soprammobile con qualsiasi forma (non saputo).
- Annotazioni
- Chain of dropping resistors to select suitable mains voltage.
- Fonte esterna dei dati
- Ernst Erb
- Riferimenti schemi
- Rider's Perpetual, Volume 4 = ca. 1934 and before
- Altri modelli
-
In questo link sono elencati 91 modelli, di cui 22 con immagini e 39 con schemi.
Elenco delle radio e altri apparecchi della Insuline Corp. Of America (ICA); New York City
Discussioni nel forum su questo modello: Insuline Corp. Of: UnaRadioNine
Argomenti: 1 | Articoli: 2
It is easy to see this is not a 9 tube set as indicated by the Radios Bezel, schematic diagram and the attached photo of the chassis. Maybe the photos have been mixed up?
Bill Moore, 23.Dec.14