- Country
- Switzerland
- Manufacturer / Brand
- Jura; La Chaux-de-Fonds (eigentlich Zürich)
- Year
- 1938 ?
- Category
- Broadcast Receiver - or past WW2 Tuner
- Radiomuseum.org ID
- 110144
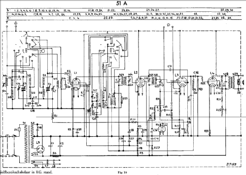
Click on the schematic thumbnail to request the schematic as a free document.
- Number of Tubes
- 6
- Main principle
- Superheterodyne (common); ZF/IF 128 kHz; 2 AF stage(s)
- Tuned circuits
- 7 AM circuit(s)
- Wave bands
- Broadcast, Long Wave and Short Wave.
- Power type and voltage
- Alternating Current supply (AC) / 110; 125; 145; 200; 220; 245 Volt
- Loudspeaker
- Permanent Magnet Dynamic (PDyn) Loudspeaker (moving coil) / Ø 21.5 cm = 8.5 inch
- Material
- Wooden case
- from Radiomuseum.org
- Model: TS51A - Jura; La Chaux-de-Fonds
- Shape
- Tablemodel, low profile (big size).
- Dimensions (WHD)
- 540 x 310 x 210 mm / 21.3 x 12.2 x 8.3 inch
- Notes
-
-
3 Band reception:
- LW: 708 - 2000 m.
- BC: 186 - 585 m.
- SW: 16,7 - 51 m.
Tuning scale lamps: 2 x 8045 (6,3V / 0,32A)
See also the equivalent model Siera S51A.
-
- Net weight (2.2 lb = 1 kg)
- 12.3 kg / 27 lb 1.5 oz (27.093 lb)
- Author
- Model page created by Lukas Faoro. See "Data change" for further contributors.
- Other Models
-
Here you find 101 models, 83 with images and 42 with schematics for wireless sets etc. In French: TSF for Télégraphie sans fil.
All listed radios etc. from Jura; La Chaux-de-Fonds (eigentlich Zürich)
Collections
The model is part of the collections of the following members.