Amati 53WU17 ohne Tasten, 2x EL8
Kiraco Welt-Radio GmbH (Kisters); Meersburg bzw. Konstanz
- Paese
- Germania
- Produttore / Marca
- Kiraco Welt-Radio GmbH (Kisters); Meersburg bzw. Konstanz
- Anno
- 1952/1953
- Categoria
- Radio (o sintonizzatore del dopoguerra WW2)
- Radiomuseum.org ID
- 222551
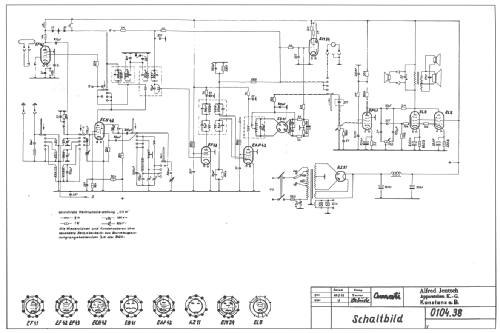
Clicca sulla miniatura dello schema per richiederlo come documento gratuito.
- Numero di tubi
- 10
- Principio generale
- Supereterodina (in generale)
- N. di circuiti accordati
- 8 Circuiti Mod. Amp. (AM) 9 Circuiti Mod. Freq. (FM)
- Gamme d'onda
- Onde medie (OM), lunghe (OL), corte (OC) e MF (FM).
- Tensioni di funzionamento
- Alimentazione a corrente alternata (CA) / 110-240 Volt Volt
- Altoparlante
- 2 altoparlanti / Ø 20 cm = 7.9 inch
- Materiali
- Mobile in legno
- Radiomuseum.org
- Modello: Amati 53WU17 [ohne Tasten, 2x EL8] - Kiraco Welt-Radio GmbH Kisters
- Forma
- Soprammobile basso, con andamento orizzontale (grosse dimensioni).
- Dimensioni (LxAxP)
- 545 x 355 x 250 mm / 21.5 x 14 x 9.8 inch
- Annotazioni
- Röhrenbestückung wie Modell Amati 53WU17 ab 5000 aber ohne Tasten,
2 Lautsprecher (1 Hochton UKW Speziallautsprecher mit 13 cm, ein Tiefton Lautsprecher mit 20 cm).
Siehe auch die tastenlose Variante mit 4x 6RV im HF/ZF Teil und EL41 in der Endstufe (S/N < 5000).
- Peso netto
- 10 kg / 22 lb 0.4 oz (22.026 lb)
- Bibliografia
- Wolfgang Kull, "Die Firmengeschichten von Kiraco, Riweco und AJA", Band 9
- Autore
- Modello inviato da Andrea Sommermann. Utilizzare "Proponi modifica" per inviare ulteriori dati.
- Altri modelli
-
In questo link sono elencati 10 modelli, di cui 8 con immagini e 4 con schemi.
Elenco delle radio e altri apparecchi della Kiraco Welt-Radio GmbH (Kisters); Meersburg bzw. Konstanz