Studio-Regielautsprecher - Professional Monitor Speaker O 96
Klein & Hummel; Stuttgart-Kemnat (Marke: K+H, Telewatt, Schwabenradio)
- Pays
- Allemagne
- Fabricant / Marque
- Klein & Hummel; Stuttgart-Kemnat (Marke: K+H, Telewatt, Schwabenradio)
- Année
- 1978–1997
- Catégorie
- Haut-parleur, casque ou écouteur
- Radiomuseum.org ID
- 306876
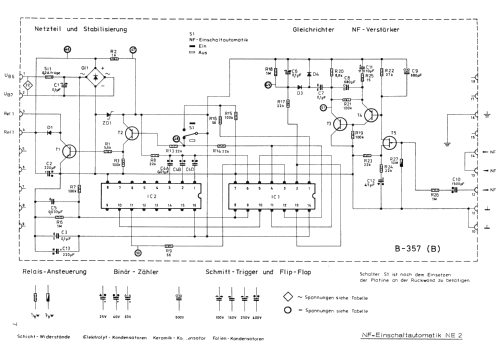
Cliquez sur la vignette du schéma pour le demander en tant que document gratuit.
- No. de transistors
- Semi-conducteurs présents
- Semi-conducteurs
- Principe général
- Amplification audio
- Gammes d'ondes
- - sans
- Particularités
- HP avec ampli intégré
- Tension / type courant
- Alimentation Courant Alternatif (CA) / 50 to 60Hz, 220 Volt
- Haut-parleur
- 3 HP
- Matière
- Boitier en bois
- De Radiomuseum.org
- Modèle: Studio-Regielautsprecher - Professional Monitor Speaker O 96 - Klein & Hummel; Stuttgart-
- Forme
- Modèle de table vertical (pas forme catédrale)
- Dimensions (LHP)
- 315 x 525 x 290 mm / 12.4 x 20.7 x 11.4 inch
- Remarques
-
Der Klein & Hummel O96 ist als Abhörlautpsrecher für Bild- und Ton-Regieräume konzipiert. Der Aufbau der Verstärker-Elektronik ist modular, besteht aber immer mindestens aus einer aktiven Frequenzweiche und drei identischen Leistungsverstärkern.
Es sind drei Lautsprecher-Chassis verbaut, ein 250 mm Tieftöner, eine 50mm Mittenkalotte und eine 19mm Hochtonkalotte. Die Übernahmefrequenzen liegen bei 600Hz und 4000Hz.
Ab Werk-Nr. 3900 wurde die Elektronik leicht revidiert und die Namen der Module wurden entsprechend geändert.
Nachfolger war das Modell O400. Nach der Übernahme durch Sennheiser und der Eingliederung in die Tochterfirma Neumann wurde diese Lautsprecherserie weitergeführt, mit dem aktuellen Modell "Neumann KH 420".
- Poids net
- 22 kg / 48 lb 7.3 oz (48.458 lb)
- Prix de mise sur le marché
- 11,785.00 DM
- Littérature
- -- Original-techn. papers.
- Schémathèque (1)
- - - Manufacturers Literature (Website der Georg Neumann GmbH, Historische Produkte)
- Auteur
- Modèle crée par Michael Hagemann. Voir les propositions de modification pour les contributeurs supplémentaires.
- D'autres Modèles
-
Vous pourrez trouver sous ce lien 161 modèles d'appareils, 152 avec des images et 104 avec des schémas.
Tous les appareils de Klein & Hummel; Stuttgart-Kemnat (Marke: K+H, Telewatt, Schwabenradio)
Collections
Le modèle Studio-Regielautsprecher - Professional Monitor Speaker fait partie des collections des membres suivants.