Barcarolle RG20
Kolster Brandes Ltd. (KB, K.B., ITT); Foots Cray; GB
- Country
- Great Britain (UK)
- Manufacturer / Brand
- Kolster Brandes Ltd. (KB, K.B., ITT); Foots Cray; GB
- Year
- 1960
- Category
- Broadcast Receiver - or past WW2 Tuner
- Radiomuseum.org ID
- 104767
Click on the schematic thumbnail to request the schematic as a free document.
- Number of Tubes
- 8
- Main principle
- Superheterodyne (common); ZF/IF 470 kHz
- Wave bands
- Broadcast, Long Wave and FM or UHF.
- Details
- Record Player (perh.Changer)
- Power type and voltage
- Alternating Current supply (AC)
- Loudspeaker
- 2 Loudspeakers
- Material
- Wooden case
- from Radiomuseum.org
- Model: Barcarolle RG20 - Kolster Brandes Ltd. KB, K.B.,
- Shape
- Console, Lowboy (legs < 50 %).
- Dimensions (WHD)
- 43 x 26.25 x 15.5 inch / 1092 x 667 x 394 mm
- Notes
-
4 speed radiogram finished in walnut veneers.
- Price in first year of sale
- 68.25 GBP
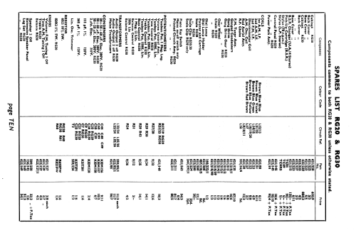
- Mentioned in
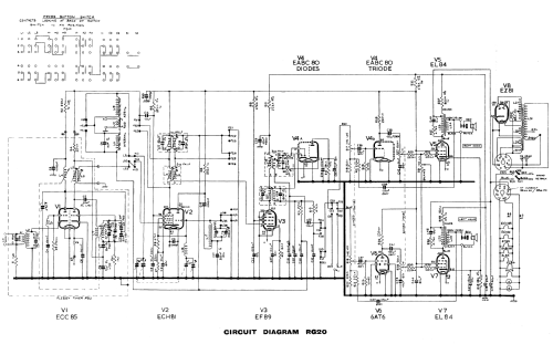
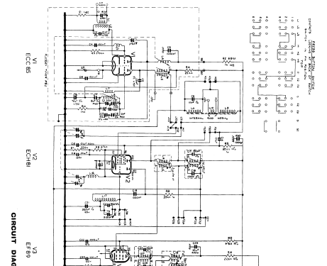
- -- Original-techn. papers.
- Author
- Model page created by Peter Hoddow. See "Data change" for further contributors.
- Other Models
-
Here you find 415 models, 372 with images and 253 with schematics for wireless sets etc. In French: TSF for Télégraphie sans fil.
All listed radios etc. from Kolster Brandes Ltd. (KB, K.B., ITT); Foots Cray; GB