Kraftverstärker HTKW A123004
Körting-Radio; Leipzig, später Grassau
- País
- Alemania
- Fabricante / Marca
- Körting-Radio; Leipzig, später Grassau
- Año
- 1936/1937
- Categoría
- Amplificador de audio o mezclador
- Radiomuseum.org ID
- 79952
-
- alternative name: Dietz & Ritter GmbH, Dr.
Haga clic en la miniatura esquemática para solicitarlo como documento gratuito.
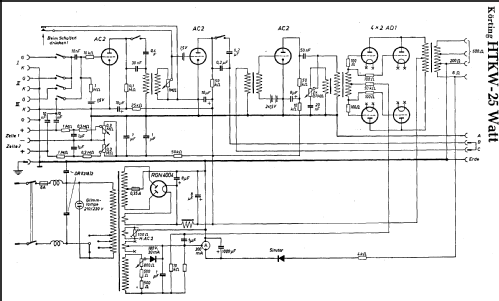
- Numero de valvulas
- 8
- Principio principal
- Amplificador de Audio
- Gama de ondas
- - no hay
- Tensión de funcionamiento
- Red: Corriente alterna (CA, Inglés = AC) / 110-220 Volt
- Altavoz
- - Este modelo usa altavoz exterior (1 o más).
- Material
- Metálico
- de Radiomuseum.org
- Modelo: Kraftverstärker HTKW A123004 - Körting-Radio; Leipzig, später
- Forma
- Sobremesa de cualquier forma, detalles no conocidos.
- Ancho, altura, profundidad
- 560 x 355 x 200 mm / 22 x 14 x 7.9 inch
- Anotaciones
- 25W bei 4% Klirr, 32W bei 8% Klirr.
- Peso neto
- 31 kg / 68 lb 4.5 oz (68.282 lb)
- Autor
- Modelo creado por Gottfried Silberhorn. Ver en "Modificar Ficha" los participantes posteriores.
- Otros modelos
-
Donde encontrará 825 modelos, 678 con imágenes y 473 con esquemas.
Ir al listado general de Körting-Radio; Leipzig, später Grassau