Royal-Selector SE6362GW
Körting-Radio; Leipzig, später Grassau
- País
- Alemania
- Fabricante / Marca
- Körting-Radio; Leipzig, später Grassau
- Año
- 1935 ??
- Categoría
- Radio - o Sintonizador pasado WW2
- Radiomuseum.org ID
- 2418
-
- alternative name: Dietz & Ritter GmbH, Dr.
Haga clic en la miniatura esquemática para solicitarlo como documento gratuito.
- Numero de valvulas
- 9
- Principio principal
- OM y OL en una única banda (raro, Superheterodino); ZF/IF 1650 kHz
- Número de circuitos sintonía
- 9 Circuíto(s) AM
- Gama de ondas
- OM y más de dos OC
- Tensión de funcionamiento
- Red: Aparato AC/DC. / 110-240 Volt
- de Radiomuseum.org
- Modelo: Royal-Selector SE6362GW - Körting-Radio; Leipzig, später
- Anotaciones
- Procedencia de los datos
- Radiokatalog Band 1, Ernst Erb
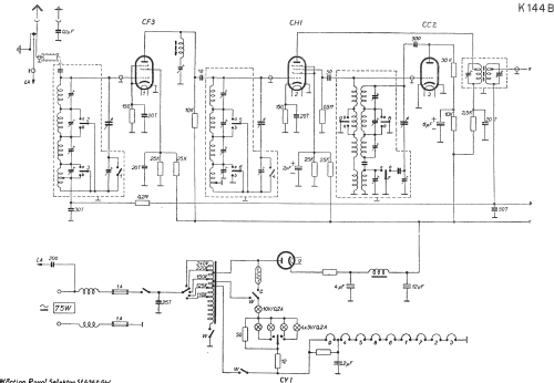
- Referencia esquema
- Lange+Schenk+FS-Röhrenbestückung
- Otros modelos
-
Donde encontrará 825 modelos, 678 con imágenes y 473 con esquemas.
Ir al listado general de Körting-Radio; Leipzig, später Grassau