Mamba Ch= 609
Kuba (Kuba-Imperial), G. Kubetschek; Wolfenbüttel
- Country
- Germany
- Manufacturer / Brand
- Kuba (Kuba-Imperial), G. Kubetschek; Wolfenbüttel
- Year
- 1961/1962
- Category
- Broadcast Receiver - or past WW2 Tuner
- Radiomuseum.org ID
- 23990
-
- alternative name: Imperial Kuba
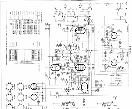
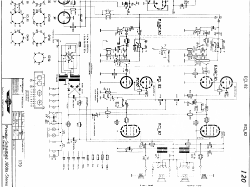
Click on the schematic thumbnail to request the schematic as a free document.
- Number of Tubes
- 8
- Main principle
- Superheterodyne (common); ZF/IF 460/10700 kHz
- Tuned circuits
- 6 AM circuit(s) 10 FM circuit(s)
- Wave bands
- Broadcast, Long Wave, Short Wave plus FM or UHF.
- Details
- Changer (Record changer)
- Power type and voltage
- Alternating Current supply (AC) / 110; 125; 220; 235 Volt
- Loudspeaker
- 5 Loudspeakers
- Material
- Wooden case
- from Radiomuseum.org
- Model: Mamba Ch= 609 - Kuba Kuba-Imperial, G.
- Shape
- Console with Push Buttons.
- Dimensions (WHD)
- 770 x 900 x 480 mm / 30.3 x 35.4 x 18.9 inch
- Notes
- Rundfunk-Chassis = Imperial Vollstereo-Super 609;
Phono-Chassis = k. A.
Einbaumöglichkeit für Magnettongerät.
- Net weight (2.2 lb = 1 kg)
- 38 kg / 83 lb 11.2 oz (83.7 lb)
- Price in first year of sale
- 678.00 DM
- External source of data
- Erb
- Source of data
- HdB d.Rdf-& Ferns-GrH 1961/62 / Radiokatalog Band 2, Ernst Erb
- Other Models
-
Here you find 741 models, 687 with images and 262 with schematics for wireless sets etc. In French: TSF for Télégraphie sans fil.
All listed radios etc. from Kuba (Kuba-Imperial), G. Kubetschek; Wolfenbüttel