Mario Ch= 664 poliert
Kuba (Kuba-Imperial), G. Kubetschek; Wolfenbüttel
- Hersteller / Marke
- Kuba (Kuba-Imperial), G. Kubetschek; Wolfenbüttel
- Jahr
- 1964/1965
- Kategorie
- Rundfunkempfänger (Radio - oder Tuner nach WW2)
- Radiomuseum.org ID
- 25807
-
- anderer Name: Imperial Kuba
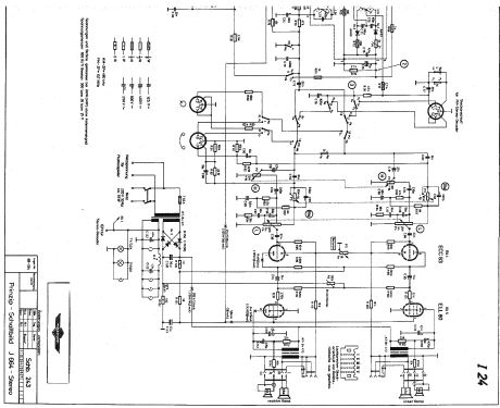
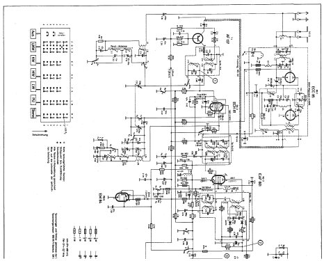
Klicken Sie auf den Schaltplanausschnitt, um diesen kostenlos als Dokument anzufordern.
- Anzahl Röhren
- 6
- Anzahl Transistoren
- 1
- Halbleiter
- AF137
- Hauptprinzip
- Superhet allgemein
- Anzahl Kreise
- 6 Kreis(e) AM 12 Kreis(e) FM
- Wellenbereiche
- Langwelle, Mittelwelle, Kurzwelle und UKW.
- Spezialitäten
- Plattenwechsler
- Betriebsart / Volt
- Wechselstromspeisung / 220 Volt
- Lautsprecher
- 2 Lautsprecher
- Material
- Gerät mit Holzgehäuse
Die GFGF Zeitschrift Funkgeschichte bringt interessante Artikel zu Radios, Funkwesen und Medien. Bei Radiomuseum.org finden Sie die vollständigen Hefte früherer Ausgaben als PDF zum Download.
- von Radiomuseum.org
- Modell: Mario Ch= 664 [poliert] - Kuba Kuba-Imperial, G.
- Form
- Standgerät mit Drucktasten.
- Abmessungen (BHT)
- 800 x 850 x 390 mm / 31.5 x 33.5 x 15.4 inch
- Bemerkung
- Rundfunk-Chassis = 664;
Phono-Chassis: verschiedene Fabrikate.
- Originalpreis
- 808.00 DM
- Datenherkunft extern
- Erb
- Datenherkunft
- Handbuch VDRG 1964/1965 / Radiokatalog Band 2, Ernst Erb
- Weitere Modelle
-
Hier finden Sie 741 Modelle, davon 687 mit Bildern und 262 mit Schaltbildern.
Alle gelisteten Radios usw. von Kuba (Kuba-Imperial), G. Kubetschek; Wolfenbüttel