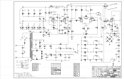
Generador B.F. GA-900-A
LME Laboratorio de Metrologia Electrónica; Barcelona
- País
- España
- Fabricante / Marca
- LME Laboratorio de Metrologia Electrónica; Barcelona
- Año
- 1966
- Categoría
- Aparato de medida y servicio (Equipo de laboratorio).
- Radiomuseum.org ID
- 171010
Haga clic en la miniatura esquemática para solicitarlo como documento gratuito.
- Numero de valvulas
- 4
- Numero de transistores
- Semiconductores
- OA85 Tr.Gl.=Metal-rectif.
- Gama de ondas
- Bandas de recepción puestas en notas.
- Tensión de funcionamiento
- Red: Corriente alterna (CA, Inglés = AC) / 125; 220 Volt
- Altavoz
- - - No hay salida de sonido.
- Material
- Metálico
- de Radiomuseum.org
- Modelo: Generador B.F. GA-900-A - LME Laboratorio de Metrologia
- Forma
- Sobremesa de tamaño mediano sin botonera <= 35 cm. (Incluso portables pero sólo con alimantación por red).
- Ancho, altura, profundidad
- 310 x 225 x 150 mm / 12.2 x 8.9 x 5.9 inch
- Anotaciones
-
Onda senoidal y cuadrada, de 20 a 200.000 c/s en cuatro bandas.
Ver también Metrotest SL-68-50.
Pueden llevar una etiqueta marcada como "GA-900", sin la letra "A" al final
- Peso neto
- 8 kg / 17 lb 9.9 oz (17.621 lb)
- Precio durante el primer año
- 10,260.00 ESP
- Procedencia de los datos
- -- Original-techn. papers.
- Autor
- Modelo creado por Miguel Bravo-Cos. Ver en "Modificar Ficha" los participantes posteriores.
- Otros modelos
-
Donde encontrará 104 modelos, 64 con imágenes y 42 con esquemas.
Ir al listado general de LME Laboratorio de Metrologia Electrónica; Barcelona
Colecciones
El modelo Generador B.F. es parte de las colecciones de los siguientes miembros.