- Pays
- Etats-Unis
- Fabricant / Marque
- Lafayette Radio & TV Corp; New York (NY)
- Année
- 1935/1936
- Catégorie
- Radio - ou tuner d'après la guerre 1939-45
- Radiomuseum.org ID
- 160022
-
- alternative name: Wholesale Radio
Cliquez sur la vignette du schéma pour le demander en tant que document gratuit.
- No. de tubes
- 6
- Principe général
- Super hétérodyne (en général); FI/IF 456 kHz; 2 Etage(s) BF
- Circuits accordés
- 9 Circuits MA (AM)
- Gammes d'ondes
- PO et OC
- Tension / type courant
- Appareil tous courants (CA / CC) / 110 - 120 Volt
- Haut-parleur
- HP dynamique à électro-aimant (électrodynamique) / Ø 8 inch = 20.3 cm
- Matière
- Boitier en bois
- De Radiomuseum.org
- Modèle: A-18 - Lafayette Radio & TV Corp; New
- Forme
- Modèle de table vertical (pas forme catédrale)
- Dimensions (LHP)
- 13 x 16.5 x 8 inch / 330 x 419 x 203 mm
- Remarques
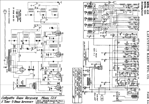
- The Lafayette catalog calls this model A-18 Lafayette 6 tube AC-DC 5 band Superhet with Metal Tubes. Wave length is 13 - 30 m, 30 - 75 m, 75 - 200 m, 200 - 550 m and long wave 850 - 1000 m (we believe it is 850 - 2000 m). "Airplane dial with reduction drive ratio for easy short-wave tuning, continuously variable tone control, automatic volume control (AVC), phone-jack, 7 tuned circuits. Rider's shows the A-18 with date Januar 30, 1935 - for 9 tuned circuits, not 7 (3 IF bandfilters), 3 gang condenser.
The model Lafayette A-18 is listed at $ 59.90 but the Lafayette price is $ 29.95 including tubes. See details for the models of this catalog or summaries.
- Prix de mise sur le marché
- 30.00 $
- Source du schéma
- Rider's Perpetual, Volume 8 = 1937 and before
- Littérature
- Machine Age to Jet Age II (page 174.)
- Schémathèque (1)
- Lafayette Radio Catalog (Lafayette catalog no. 59 for 1936, page 7.)
- Schémathèque (2)
- Cathedral & Tombstone Radios (page 158.)
- Auteur
- Modèle crée par Ernst Erb. Voir les propositions de modification pour les contributeurs supplémentaires.
- D'autres Modèles
-
Vous pourrez trouver sous ce lien 1699 modèles d'appareils, 1543 avec des images et 425 avec des schémas.
Tous les appareils de Lafayette Radio & TV Corp; New York (NY)