- Country
- United States of America (USA)
- Manufacturer / Brand
- Lafayette Radio & TV Corp; New York (NY)
- Year
- 1959
- Category
- Audio Amplifier or -mixer
- Radiomuseum.org ID
- 153718
-
- alternative name: Wholesale Radio
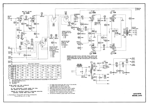
Click on the schematic thumbnail to request the schematic as a free document.
- Number of Tubes
- 5
- Main principle
- Audio-Amplification
- Wave bands
- - without
- Power type and voltage
- Alternating Current supply (AC) / 105 - 125 Volt
- Loudspeaker
- - This model requires external speaker(s).
- Material
- Metal case
- from Radiomuseum.org
- Model: LA45 - Lafayette Radio & TV Corp; New
- Shape
- Tablemodel, low profile (big size).
- Notes
-
The Lafayette Model LA45 is a Mono Integrated Amplifier.
- Literature/Schematics (1)
- Photofact Folder, Howard W. SAMS (Date 12-59, Set 467, Folder 9)
- Author
- Model page created by Egon Penker. See "Data change" for further contributors.
- Other Models
-
Here you find 1379 models, 1198 with images and 424 with schematics for wireless sets etc. In French: TSF for Télégraphie sans fil.
All listed radios etc. from Lafayette Radio & TV Corp; New York (NY)
Collections
The model LA45 is part of the collections of the following members.