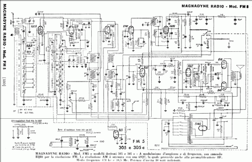
FM305C
Magnadyne Radio; Torino
- Paese
- Italy
- Produttore / Marca
- Magnadyne Radio; Torino
- Anno
- 1950/1951
- Categoria
- Radio (o sintonizzatore del dopoguerra WW2)
- Radiomuseum.org ID
- 122255
Clicca sulla miniatura dello schema per richiederlo come documento gratuito.
- Numero di tubi
- 10
- Principio generale
- Supereterodina (in generale); ZF/IF 471/10500 kHz
- Gamme d'onda
- Onde medie (OM), più di 2 gamme di onde corte (> 2 x OC) e MF (FM).
- Particolarità
- Giradischi (non cambiadischi)
- Tensioni di funzionamento
- Alimentazione a corrente alternata (CA) / 110-220 Volt
- Altoparlante
- AP magnetodinamico (magnete permanente e bobina mobile)
- Potenza d'uscita
- 10 W (qualità ignota)
- Materiali
- Mobile in legno
- Radiomuseum.org
- Modello: FM305C - Magnadyne Radio; Torino
- Forma
- Soprammobile basso, con andamento orizzontale (grosse dimensioni).
- Fonte dei dati
- Guida Pratica Antique Radio IV (2001)
- Letteratura / Schemi (1)
- Il Radio Libro (E.D. Ravalico) Edizioni Hoepli (13° edizione, 1952)
- Autore
- Modello inviato da Alessandro De Poi. Utilizzare "Proponi modifica" per inviare ulteriori dati.
- Altri modelli
-
In questo link sono elencati 357 modelli, di cui 276 con immagini e 258 con schemi.
Elenco delle radio e altri apparecchi della Magnadyne Radio; Torino