SV154 Ch= SV54
Magnadyne Radio; Torino
- Country
- Italy
- Manufacturer / Brand
- Magnadyne Radio; Torino
- Year
- 1938/1939
- Category
- Broadcast Receiver - or past WW2 Tuner
- Radiomuseum.org ID
- 30608
Click on the schematic thumbnail to request the schematic as a free document.
- Number of Tubes
- 5
- Main principle
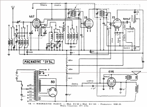
- Superheterodyne (common); ZF/IF 471 kHz
- Wave bands
- Broadcast, Long Wave and 2 x Short Wave.
- Details
- Record Player (not changer)
- Power type and voltage
- Alternating Current supply (AC) / 110-230 Volt
- Loudspeaker
- Electro Magnetic Dynamic LS (moving-coil with field excitation coil) / Ø 20 cm = 7.9 inch
- Material
- Wooden case
- from Radiomuseum.org
- Model: SV154 Ch= SV54 - Magnadyne Radio; Torino
- Shape
- Console: Chairside Radio.
- Dimensions (WHD)
- 520 x 1050 x 400 mm / 20.5 x 41.3 x 15.7 inch
- Notes
- Controllo di selettività variabile. Dispositivo Duotonal. Gamme d'onda: lunghe, medie, corte, cortissime. Giradischi Lesa 78 giri.
- Net weight (2.2 lb = 1 kg)
- 24 kg / 52 lb 13.8 oz (52.863 lb)
- Literature/Schematics (4)
- Il Radio Libro (E.D. Ravalico) Edizioni Hoepli
- Author
- Model page created by Alessandro De Poi. See "Data change" for further contributors.
- Other Models
-
Here you find 357 models, 276 with images and 258 with schematics for wireless sets etc. In French: TSF for Télégraphie sans fil.
All listed radios etc. from Magnadyne Radio; Torino
Collections
The model is part of the collections of the following members.