- Country
- Germany
- Manufacturer / Brand
- Metz Transformatoren- und Apparatefabrik (ex TAM), Fürth
- Year
- 1958–1960
- Category
- Television- and Radio Receiver, perh. also + Rec. etc. (TV Radio)
- Radiomuseum.org ID
- 100813
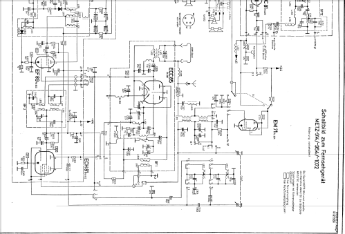
Click on the schematic thumbnail to request the schematic as a free document.
- Number of Tubes
- 21
- Valves / Tubes
- AW53-80
- Main principle
- Superheterodyne (common)
- Wave bands
- Wave Bands given in the notes.
- Details
- Changer (Record changer); Remote Control (with wire or wireless)
- Power type and voltage
- Alternating Current supply (AC) / 220 Volt
- Loudspeaker
- 4 Loudspeakers
- Material
- Wooden case
- from Radiomuseum.org
- Model: 1072 - Metz Transformatoren- und
- Shape
- Console with any shape - in general
- Dimensions (WHD)
- 610 x 1010 x 580 mm / 24 x 39.8 x 22.8 inch
- Notes
- Technische Daten wie 914, jedoch 53-cm-Bildröhre und im Standgehäuse. Phono-Chassis = Perpetuum-Ebner Rex A58.
- Net weight (2.2 lb = 1 kg)
- 79 kg / 174 lb 0.1 oz (174.009 lb)
- Price in first year of sale
- 1,598.00 DM
- Source of data
- HdB d.Rdf-& Ferns-GrH 1958/59
- Author
- Model page created by Bernd P. Kieck. See "Data change" for further contributors.
- Other Models
-
Here you find 584 models, 457 with images and 308 with schematics for wireless sets etc. In French: TSF for Télégraphie sans fil.
All listed radios etc. from Metz Transformatoren- und Apparatefabrik (ex TAM), Fürth