belform 115 Multiplex USA
Metz Transformatoren- und Apparatefabrik (ex TAM), Fürth
- Paese
- Germania
- Produttore / Marca
- Metz Transformatoren- und Apparatefabrik (ex TAM), Fürth
- Anno
- 1963 ?
- Categoria
- Radio (o sintonizzatore del dopoguerra WW2)
- Radiomuseum.org ID
- 300331
Clicca sulla miniatura dello schema per richiederlo come documento gratuito.
- Numero di tubi
- 11
- Numero di transistor
- Semiconduttori
- B250C250
- Principio generale
- Supereterodina (in generale); ZF/IF 460/10700 kHz; Modello per l'esportazione
- N. di circuiti accordati
- 6 Circuiti Mod. Amp. (AM) 9 Circuiti Mod. Freq. (FM)
- Gamme d'onda
- Onde medie (OM), corte (OC) e FM.
- Tensioni di funzionamento
- Alimentazione a corrente alternata (CA) / 115 Volt
- Altoparlante
- - Questo apparecchio richiede altoparlante/i esterno/i.
- Potenza d'uscita
- 12 W (max.)
- Materiali
- Mobile in legno
- Radiomuseum.org
- Modello: belform 115 Multiplex [USA] - Metz Transformatoren- und
- Forma
- Soprammobile con pulsantiera/tastiera.
- Dimensioni (LxAxP)
- 580 x 230 x 300 mm / 22.8 x 9.1 x 11.8 inch
- Annotazioni
-
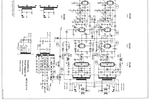
Metz belform 115 Multiplex is an AC operated BC-SW-FM receiver equipped with a multiplex decoder for stereophonic FM transmissions. Two push-pull output amplifiers.
See also the domestic model belform 115.
- Letteratura / Schemi (1)
- -- Original-techn. papers.
- Autore
- Modello inviato da Bernhard Nagel. Utilizzare "Proponi modifica" per inviare ulteriori dati.
- Altri modelli
-
In questo link sono elencati 584 modelli, di cui 457 con immagini e 308 con schemi.
Elenco delle radio e altri apparecchi della Metz Transformatoren- und Apparatefabrik (ex TAM), Fürth