- Pays
- Allemagne
- Fabricant / Marque
- Metz Transformatoren- und Apparatefabrik (ex TAM), Fürth
- Année
- 1949/1950
- Catégorie
- Radio - ou tuner d'après la guerre 1939-45
- Radiomuseum.org ID
- 3686
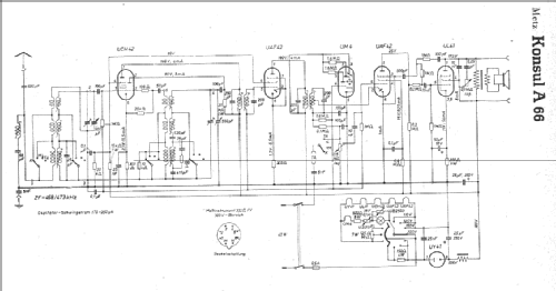
Cliquez sur la vignette du schéma pour le demander en tant que document gratuit.
- No. de tubes
- 6
- No. de transistors
- Principe général
- Super hétérodyne (en général); FI/IF 468 kHz
- Circuits accordés
- 6 Circuits MA (AM)
- Gammes d'ondes
- PO, GO et OC
- Tension / type courant
- Appareil tous courants (CA / CC) / 110; 125; 150; 220 Volt
- Haut-parleur
- HP dynamique à aimant permanent + bobine mobile / Ø 18 cm = 7.1 inch
- Matière
- Boitier en bois
- De Radiomuseum.org
- Modèle: Konsul A66 - Metz Transformatoren- und
- Forme
- Modèle de table profil bas (grand modèle).
- Dimensions (LHP)
- 420 x 280 x 210 mm / 16.5 x 11 x 8.3 inch
- Poids net
- 7.5 kg / 16 lb 8.3 oz (16.52 lb)
- Prix de mise sur le marché
- 308.00 DM
- Source
- Katalog Weide, 1949/50. / Radiokatalog Band 1, Ernst Erb
- Source du schéma
- Lange-Nowisch
- Littérature
- Funkschau (4912)
- Schémathèque (1)
- -- Original-techn. papers.
- D'autres Modèles
-
Vous pourrez trouver sous ce lien 584 modèles d'appareils, 457 avec des images et 308 avec des schémas.
Tous les appareils de Metz Transformatoren- und Apparatefabrik (ex TAM), Fürth
Collections
Le modèle Konsul fait partie des collections des membres suivants.