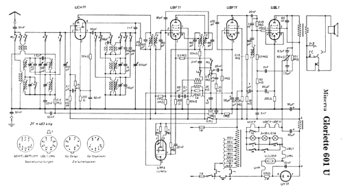
Gloriette 601U mit UY11
Minerva-Radio (Radiola-Radioapparate und Bestandteile W. Wohleber & Co) ; Wien
- Paese
- Austria
- Anno
- 1948/1949
- Categoria
- Radio (o sintonizzatore del dopoguerra WW2)
- Radiomuseum.org ID
- 9847
Clicca sulla miniatura dello schema per richiederlo come documento gratuito.
- Numero di tubi
- 6
- Principio generale
- Supereterodina (in generale); ZF/IF 483 kHz
- N. di circuiti accordati
- 7 Circuiti Mod. Amp. (AM)
- Gamme d'onda
- Onde medie (OM), lunghe (OL) e corte (OC).
- Tensioni di funzionamento
- Alimentazione universale (doppia: CC/CA) / AC: 100; 110; 130; 150; 185; 200; 220; 240; DC: 220 Volt
- Altoparlante
- AP din.(bobina mobile) - elettrodinamico o a magnete permanente (?).
- Radiomuseum.org
- Modello: Gloriette 601U [mit UY11] - Minerva-Radio Radiola-
- Annotazioni
-
Dieses Gerät besitzt keine Netztrennung. Bei solchen Geräten können Chassis und Buchsen etc. unter Netzspannung stehen, bei manchen auch, wenn es ausgeschaltet ist. Es besteht bei Berührung Lebensgefahr. Wir weisen nicht bei jedem solchen Modell darauf hin.
- Fonte esterna dei dati
- E. Erb 3-907007-36-0
- Fonte dei dati
- Radiokatalog Band 2, Ernst Erb
- Riferimenti schemi
- Lange-Nowisch
- Altri modelli
-
In questo link sono elencati 629 modelli, di cui 567 con immagini e 451 con schemi.
Elenco delle radio e altri apparecchi della Minerva-Radio (Radiola-Radioapparate und Bestandteile W. Wohleber & Co) ; Wien