Milano 596/2
Minerva (Ital-Minerva); Milano
- Land
- Italien / Italy
- Hersteller / Marke
- Minerva (Ital-Minerva); Milano
- Jahr
- 1959–1962
- Kategorie
- Rundfunkempfänger (Radio - oder Tuner nach WW2)
- Radiomuseum.org ID
- 123991
-
- anderer Name: Cozzi Luigi Dell'Aquila
Klicken Sie auf den Schaltplanausschnitt, um diesen kostenlos als Dokument anzufordern.
- Anzahl Röhren
- 7
- Hauptprinzip
- Superhet allgemein
- Wellenbereiche
- Mittelwelle und UKW (FM).
- Betriebsart / Volt
- Wechselstromspeisung / 110; 125; 140; 160; 220-240 Volt
- Lautsprecher
- Dynamischer LS, keine Erregerspule (permanentdynamisch) / Ø 12 cm = 4.7 inch
- Belastbarkeit / Leistung
- 2 W (Qualität unbekannt)
- Material
- Plastikgehäuse (nicht Bakelit), Thermoplast
- von Radiomuseum.org
- Modell: Milano 596/2 - Minerva Ital-Minerva; Milano
- Form
- Tischgerät, Tasten oder Druckknöpfe.
- Abmessungen (BHT)
- 400 x 235 x 160 mm / 15.7 x 9.3 x 6.3 inch
- Bemerkung
- Serie ANIE MF.
- Nettogewicht
- 4.4 kg / 9 lb 11.1 oz (9.692 lb)
- Originalpreis
- 30,500.00 ITL
- Datenherkunft
- Guida Pratica Antique Radio III (2000)
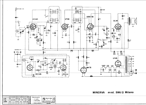
- Literatur/Schema (1)
- -- Schematic
- Autor
- Modellseite von Anton Sarne angelegt. Siehe bei "Änderungsvorschlag" für weitere Mitarbeit.
- Weitere Modelle
-
Hier finden Sie 257 Modelle, davon 203 mit Bildern und 147 mit Schaltbildern.
Alle gelisteten Radios usw. von Minerva (Ital-Minerva); Milano
Sammlungen
Das Modell Milano befindet sich in den Sammlungen folgender Mitglieder.