Airline 14BR-1400A Order= 162 C 1400
Montgomery Ward & Co. (Wards, Airline); Chicago, IL
- Country
- United States of America (USA)
- Manufacturer / Brand
- Montgomery Ward & Co. (Wards, Airline); Chicago, IL
- Year
- 1941/1942
- Category
- Broadcast Receiver - or past WW2 Tuner
- Radiomuseum.org ID
- 47596
-
- Brand: Airline or Air-Line
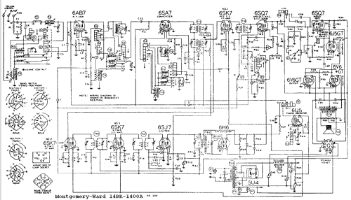
Click on the schematic thumbnail to request the schematic as a free document.
- Number of Tubes
- 14
- Main principle
- Superhet with RF-stage; ZF/IF 455/4300 kHz; 3 AF stage(s)
- Tuned circuits
- 7 AM circuit(s) 11 FM circuit(s)
- Wave bands
- Broadcast, more than 2 SW bands plus FM or UHF.
- Power type and voltage
- Alternating Current supply (AC) / 105-125 Volt
- Loudspeaker
- Electro Magnetic Dynamic LS (moving-coil with field excitation coil) / Ø 12 inch = 30.5 cm
- Power out
- 10 W (unknown quality)
- Material
- Wooden case
- from Radiomuseum.org
- Model: Airline 14BR-1400A Order= 162 C 1400 - Montgomery Ward & Co. Wards,
- Shape
- Console with Push Buttons.
- Dimensions (WHD)
- 29 x 38.25 x 11.75 inch / 737 x 972 x 298 mm
- Notes
- BC (5400-1600 kHz), SW1 (9.1-10.0 MHz), SW2 (11.4-12.1 MHz), SW3 (14.9-15.4 MHz) and FM (41.5-50.5 MHz) bands. Tuning eye. Push-pull audio amplifier.
- Price in first year of sale
- 86.50 $
- External source of data
- Ernst Erb
- Source of data
- Pre-War Consoles
- Circuit diagram reference
- Rider's Perpetual, Volume 14 = 1944 = before 1943
- Mentioned in
- Riders 14-25, 14-26, 14-27, 14-28
- Literature/Schematics (4)
- Montgomery Ward Catalogs (Wards, Airline) (Spring/Summer 1941, page 700. Fall/Winter 1941/42, No. 135, page 860.)
- Other Models
-
Here you find 2333 models, 1471 with images and 1829 with schematics for wireless sets etc. In French: TSF for Télégraphie sans fil.
All listed radios etc. from Montgomery Ward & Co. (Wards, Airline); Chicago, IL
Collections
The model Airline 14BR-1400A Order= 162 C 1400 is part of the collections of the following members.