17T4E Ch= TS-221A
Motorola Inc. (ex Galvin Mfg.Co. Chicago); Schaumburg (IL)
- Country
- United States of America (USA)
- Manufacturer / Brand
- Motorola Inc. (ex Galvin Mfg.Co. Chicago); Schaumburg (IL)
- Year
- 1952 ?
- Category
- Television Receiver (TV) or Monitor
- Radiomuseum.org ID
- 159978
Click on the schematic thumbnail to request the schematic as a free document.
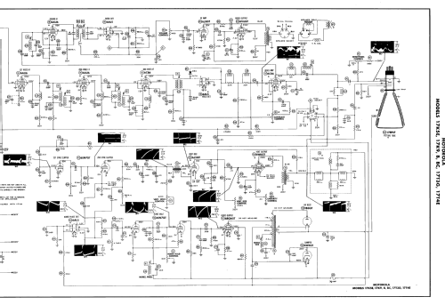
- Number of Tubes
- 21
- Valves / Tubes
- 6CB6 12AV7 or 12AT7 6AU6 or 6AG5 6AU6 or 6AG5 6CB6 or 6AG5 or 6BC5 6AL5 6CB6 or 6AH6 6AU6 or 6AG5 6AL5 6J5GT 6V6GT 6SN7GT 6J5GT or 7N7 6W6GT or 6AS5 6AL5 or 6H6 6SN7GT 6BQ6GT 6W4GT 1B3GT 5U4G 17BP4
- Main principle
- Superhet with RF-stage
- Wave bands
- Wave Bands given in the notes.
- Power type and voltage
- Alternating Current supply (AC) / 60 Hz, 117V = 110 -120 Volt
- Loudspeaker
- Electro Magnetic Dynamic LS (moving-coil with field excitation coil) / Ø 7.5 inch = 19.1 cm
- Power out
- 4 W (unknown quality)
- Material
- Wooden case
- from Radiomuseum.org
- Model: 17T4E Ch= TS-221A - Motorola Inc. ex Galvin Mfg.Co
- Shape
- Tablemodel, with any shape - general.
- Notes
-
Motorola model 17T4E is a 17” b/w TV with US standard VHF tuner channels 2 thru 13.
Equipped with chassis TS-221, VHF tuner 1X700132 and picture tube 17BP4. mahogany cabinet. mahogany cabinet.
- Literature/Schematics (1)
- Photofact Folder, Howard W. SAMS (Set 152, folder 3A, dated 1951)
- Literature/Schematics (2)
- Photofact Folder, Howard W. SAMS (Set 159, Folder 10, dated 2-52)
- Author
- Model page created by a member from A. See "Data change" for further contributors.
- Other Models
-
Here you find 4653 models, 2980 with images and 4153 with schematics for wireless sets etc. In French: TSF for Télégraphie sans fil.
All listed radios etc. from Motorola Inc. (ex Galvin Mfg.Co. Chicago); Schaumburg (IL)