19F1 Ch=HS-230, TS-67
Motorola Inc. (ex Galvin Mfg.Co. Chicago); Schaumburg (IL)
- Produttore / Marca
- Motorola Inc. (ex Galvin Mfg.Co. Chicago); Schaumburg (IL)
- Anno
- 1954 ??
- Categoria
- Ricevitore TV e radio (ev. con magnetofono, giradischi, registratore a cassette ecc.)
- Radiomuseum.org ID
- 48707
Clicca sulla miniatura dello schema per richiederlo come documento gratuito.
- Numero di tubi
- 33
- Valvole
- 6AG5 6J6 6AG5 6AG5 6AG5 6AL5 6BA6 6V6GT 6AS5 12AX7 6AU6 6AL5 6SL7GT 6V6GT 12AU7 6SN7GT 25L6GT 6SL7GT 6CD6G 6W4GT 1B3GT 5U4G 5U4G 19AP4 6AU6 6BA7 6BA6 6AU6 6AL5 6AV6 6V6GT 6V6GT 7Z4
- Principio generale
- Supereterodina con stadio RF; ZF/IF 455/10700 kHz
- Gamme d'onda
- Onde medie (OM) e MF (FM).
- Particolarità
- Cambiadischi
- Tensioni di funzionamento
- Alimentazione a corrente alternata (CA) / 60 Hz, 117V = 110 -120 Volt
- Altoparlante
- 6 altoparlanti
- Materiali
- Mobile in legno
- Radiomuseum.org
- Modello: 19F1 Ch=HS-230, TS-67 - Motorola Inc. ex Galvin Mfg.Co
- Forma
- Console, con gambe d'appoggio basse (< 50%).
- Annotazioni
-
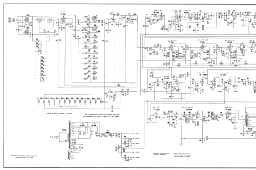
Motorola model 19F1 is a TV-AM-FM-phono combination receiver with VHF-tuner 1X790700 , phono player chassis TS-76, AM-FM radio chassis HS-230 and picture tube 19AP4.
- Fonte esterna dei dati
- Ernst Erb
- Riferimenti schemi
- Rider's Perpetual, Volume 22, covering 1951
- Letteratura / Schemi (1)
- Photofact Folder, Howard W. SAMS (Set 111, Folder 9 dated 11-50)
- Altri modelli
-
In questo link sono elencati 4653 modelli, di cui 2980 con immagini e 4153 con schemi.
Elenco delle radio e altri apparecchi della Motorola Inc. (ex Galvin Mfg.Co. Chicago); Schaumburg (IL)