- Pays
- Etats-Unis
- Fabricant / Marque
- National Company; Cambridge & Malden (MA)
- Année
- 1951
- Catégorie
- Récepteur amateur (bandes amateurs, ev. avec bande AM)
- Radiomuseum.org ID
- 87740
-
- alternative name: National Toy Co.
- Brand: Thrillbox
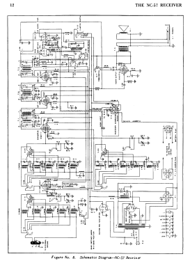
Cliquez sur la vignette du schéma pour le demander en tant que document gratuit.
- No. de tubes
- 8
- Principe général
- Super hétérodyne avec étage HF; FI/IF 455 kHz
- Gammes d'ondes
- PO et plus que 2 x OC
- Tension / type courant
- Alimentation Courant Alternatif (CA) / 105-130 Volt
- Haut-parleur
- HP dynamique à aimant permanent + bobine mobile / Ø 5 inch = 12.7 cm
- Puissance de sortie
- 1.5 W (qualité inconnue)
- Matière
- Boitier métallique
- De Radiomuseum.org
- Modèle: NC-57B - National Company; Cambridge &
- Forme
- Modèle de table générique
- Dimensions (LHP)
- 419 x 298 x 222 mm / 16.5 x 11.7 x 8.7 inch
- Remarques
- coverage 540 - 55000 kHz, AM, CM (BFO);
slightly different tube layout;
optional external S-Meter SM-57
- Poids net
- 14 kg / 30 lb 13.4 oz (30.837 lb)
- Prix de mise sur le marché
- 99.00 $
- Source
- Communications Receivers
- Source du schéma
- Rider's Perpetual, Volume 18 = 1949 and before
- Littérature
- Shortwave Receivers - Past & Present (3rd ed.)
- Auteur
- Modèle crée par Martin Bösch. Voir les propositions de modification pour les contributeurs supplémentaires.
- D'autres Modèles
-
Vous pourrez trouver sous ce lien 446 modèles d'appareils, 285 avec des images et 189 avec des schémas.
Tous les appareils de National Company; Cambridge & Malden (MA)